ah277a电路图

ah277apdf文件及第6页内容在线浏览
图片尺寸920x1396
diy恒温器带预置温度
图片尺寸1191x967
电动车报警电路图
图片尺寸968x511
发表最近的作品fu7推挽胆机
图片尺寸1480x1176
ah277a pdf下载及第8页内容在线浏览
图片尺寸1190x1684
图ta8211ah275,音频功放电路图tba810s276,音频功放电路图tba820m277
图片尺寸1080x810
准备重做300b单端,选了个电路大家帮看看
图片尺寸1600x1135
> ka22427b (samsung semiconductor co. ltd.
图片尺寸793x1123
ah277a pdf下载及第9页内容在线浏览
图片尺寸1190x1684
ah277a 参数 datasheet pdf下载
图片尺寸826x1169
感谢:dvtristar 提供图纸.
图片尺寸1800x1350
ah277a,ah277a pdf中文资料,ah277a引脚图,ah277a电路-datasheet-电子
图片尺寸826x1169
6j8p fu7的问题
图片尺寸800x677
胆机制作求助j版6sn7两级推300b
图片尺寸800x575
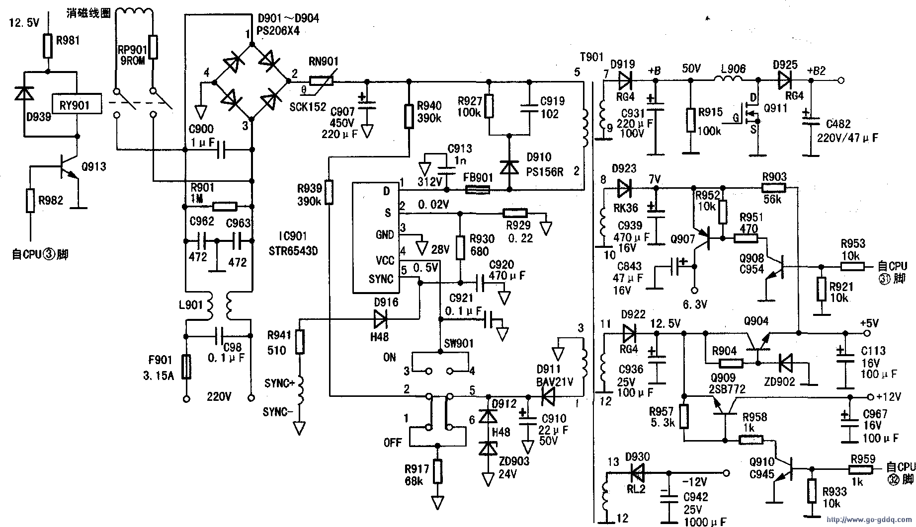
飞利浦28gr6776系列彩电(分立件)开关电源电路图 - 金桥电子资料网-电
图片尺寸2574x1782
> ka22427b (samsung semiconductor co. ltd.
图片尺寸793x1123
技术资料 电路图 光电电路 胆机功放的制作 制作工具:手摇绕线机一台
图片尺寸672x603
zx7-500a逆变电焊机电路图zx7-500a逆变电焊机电路图
图片尺寸1480x1068
113300ag5st5rchz5gt9qi.gif
图片尺寸2983x2057
aoc771s彩显开关电源电原理图
图片尺寸1843x1061