ai8x12bit接线图

西门子ai接线图共4页
图片尺寸920x1302
et200sp ai8接线
图片尺寸895x843
> 接线图
图片尺寸1654x2339
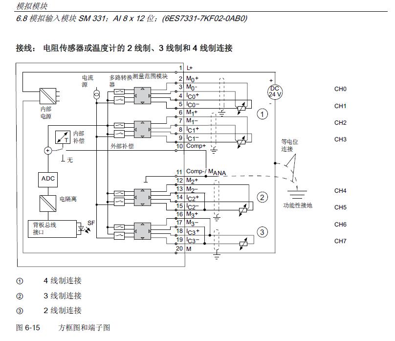
ai812bit模块和两线制pt100怎样接线
图片尺寸808x697
安科瑞智慧用电监测装置接线图
图片尺寸1653x2373
plc输入输出接线图-io接线图
图片尺寸594x841
8口网关接线示意图
图片尺寸2260x1768
硬件端接线图
图片尺寸640x402
智嵌物联io控制器设备接线说明
图片尺寸1689x1202
3.1 两线制传感器接线示意图
图片尺寸476x395
io接线图.pdf
图片尺寸800x566
程序员第一课"hello word",你知道网工第一课吗?_双绞线_03
图片尺寸589x676
蓝知博库
图片尺寸1166x677
图4--产品接线图
图片尺寸3794x2299
接线- 热门商品专区
图片尺寸1095x649
网线系统非联网接线图
图片尺寸2292x1738
x5s接线图.png
图片尺寸833x652
io电路接线图pdf
图片尺寸800x566
02 按照下图进行接线step.01 如下图
图片尺寸1020x522
六轴工业机器人控制系统接线图(qs)-中国步进电机网
图片尺寸1088x669