cad水泵符号

给排水消防cad图例符号大全与画法
图片尺寸640x1193
收藏!超全cad图例符号画法大全,看过的都收藏了
图片尺寸849x703
暖通,给排水,消防cad图例符号与画法技巧讲解!
图片尺寸640x1322
超全cad图例符号画法大全,干货满满
图片尺寸661x1347
暖通空调,给排水,消防cad图例符号大全与画法
图片尺寸640x530
200个常用的暖通,给排水cad图例符号与绘图方法!
图片尺寸640x1130
200个常用的暖通,给排水cad图例符号与绘图方法!
图片尺寸640x1008
200个常用的暖通,给排水cad图例符号与绘图方法!
图片尺寸640x1041
超全cad图例符号画法大全,干货满满
图片尺寸743x922
给排水消防cad图例符号大全与画法
图片尺寸480x4199
超全cad图例符号画法大全,干货满满
图片尺寸779x1317
已知液压系统符号汇总
图片尺寸360x640
200个常用的暖通,给排水cad图例符号与绘图方法!
图片尺寸430x784
暖通空调,给排水,消防cad图例符号大全与画法
图片尺寸767x900
200个常用的暖通,给排水cad图例符号与绘图方法!
图片尺寸469x682
风冷模块机系统介绍与安装使用与注意事项
图片尺寸1067x565
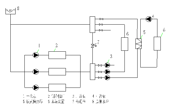
水系统丨中央空调水系统输配系统介绍及选型
图片尺寸554x362
暖通空调,给排水,消防cad图例符号大全与画法
图片尺寸743x1160
常见的弱电cad符号大全
图片尺寸939x846
200个常用的暖通,给排水cad图例符号与绘图方法!
图片尺寸640x906