cl1503ir工作原理图

cl1503 计算工具
图片尺寸1011x696
339电压比较中,如何让三极管延时截止,请高手指点.
图片尺寸921x482
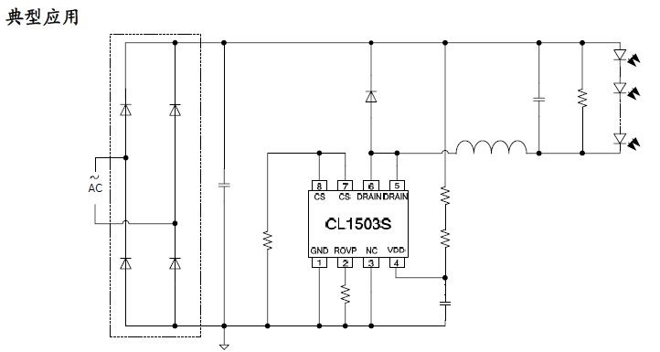
cl1503s非隔离36w降压led恒流ic1503
图片尺寸722x385
whirlpool惠而浦 15公斤滚筒洗衣机(wfw97hedw)送
图片尺寸3087x2127
一种基于ir2153s的中大功率多路电压输出的开环半桥谐振电路的制作
图片尺寸1000x604
一款热敏打印机(采用m-150ii打印头)原理图
图片尺寸1174x858
工频逆变器的原理
图片尺寸640x533
可控硅中频电源原理图
图片尺寸1162x716
茂捷m8833替换cl1503
图片尺寸615x313
一种高压静电集尘装置用分压调节式升压电源系统
图片尺寸2864x1160
cl1502原理图
图片尺寸1048x663
新大洲本田战鹰sdh150_15_省略__摩托车电气系统的结
图片尺寸2173x1399
游戏悍将电源维修之四
图片尺寸1354x642
特别是第二个起什么作用?
图片尺寸1314x394
5净化器的除湿机控制电路有效
图片尺寸2279x1817
ir2103驱动mos管的自举电容的连接.为什么电容接在输出上
图片尺寸778x566
goldair compressor protection module se-e1 115-230vac bitzer
图片尺寸1096x714
芯联cl1502非隔离低pf led恒流芯片替换bp2832a
图片尺寸558x432
cn201625584u_一种电除尘用调幅高频高压电源电路有效
图片尺寸2275x1074
格力kfrd-35gwa分体式空调室内机微电脑控制电路图
图片尺寸1142x722