cp触发器波形图

已知各触发器的初态均为0,cp波形如图,试画出q波形.
图片尺寸777x481
试画出在cp的作用下各触发器q端的波形图
图片尺寸895x442
由jk触发器组成的电路如图所示,设其初态为0.
图片尺寸500x295![[解] 集成施密特触发器输出uo的波形如图解6.1所示.](https://i.ecywang.com/upload/1/img0.baidu.com/it/u=2219294721,3485742196&fm=253&fmt=auto&app=138&f=JPG?w=1342&h=500)
[解] 集成施密特触发器输出uo的波形如图解6.1所示.
图片尺寸1710x637
试画出各触发器在cp作用下q端的波形
图片尺寸417x379
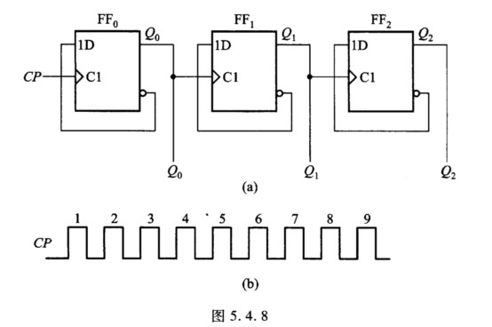
某计数器中3个触发器输出端q0q1q2的输出信号波形如图542所示由波形图
图片尺寸554x368
1 两种d触发器及输入波形如图,试画出q端波形,设初态为0.
图片尺寸1080x810
图所示时序电路,各触发器初态均为0,画出6个cp作用下的输出波形.
图片尺寸467x381
已知负边沿触发的jk触发器的jk和cp波形如图416教材图413所示试画出
图片尺寸524x532
可以让触发器不随着rs变化高电平有效对输入有约束中控cp触发器已知
图片尺寸1280x960
触发器电路的分析
图片尺寸1233x425
已知某jk触发器的输入信号j,k及cp波形如图所示,设触发器的初始状态为
图片尺寸620x499
若主从结构jk触发器cpjk端的电压波形如图所示试画出q端对应的电压
图片尺寸698x332
61电路中,设各触发器的初态均为0,选用的时钟脉冲cp的周期tcp为1ms,试
图片尺寸1031x514
在图示电路中,已知输入端d和 cp的波形如图所示,各触发器的初始状态均
图片尺寸321x380
图(a)中cp的波形如图(b)所示.要求:68(1)写出触发器次态q_找考题
图片尺寸565x325
施密特触发器是一种能够把输入波形整形成为适合于
图片尺寸1080x810
已知时钟脉冲cp的波形如题图2115所示试分别画出图中各触发器输出端q
图片尺寸333x303
十三数电半导体存储电路同步电平触发器边沿触发的触发器
图片尺寸650x481
而且增加了触发器的逻辑功能,见表:由上可知:在cp=0期间:与非门g3,g4
图片尺寸597x310