dac电路图

经典dac线路图集
图片尺寸1522x1102
lf353p dac输出转正弦波的电路分析
图片尺寸802x436
dac模拟输出部分电路求助2345699
图片尺寸1277x657
dac8562电路图
图片尺寸900x647
fpga与dac0832接口电路原理图
图片尺寸590x335
dac0832 接线电路,帮忙看看有没有问题?谢谢!
图片尺寸794x418
pcm1716e dac解码集成电路
图片尺寸765x503
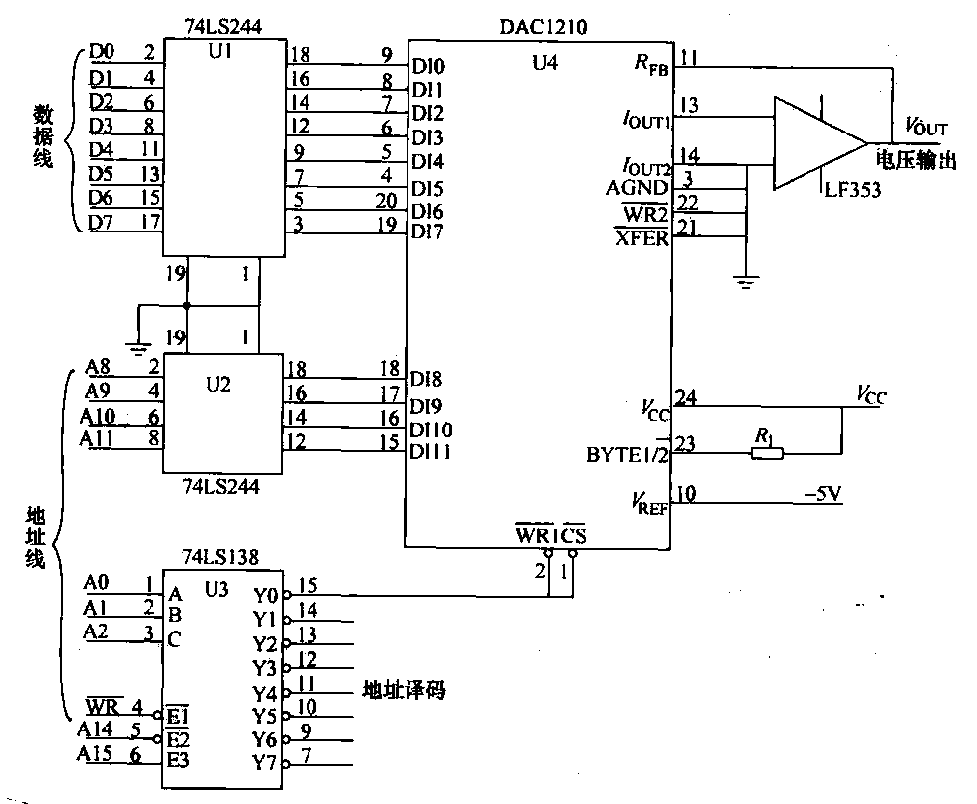
dac1210与16位cpu的接口电路–电路图–电子工程世界
图片尺寸977x804
cs4398音频dac电路原理图
图片尺寸1246x823
要实现高精度dac你需要怎样的电路
图片尺寸781x674
diy usb声卡(dac)
图片尺寸1177x825
dac的输出放大电路问题
图片尺寸695x564
dac模拟输出部分电路求助2345699
图片尺寸1579x657
请问这个dac0832有什么问题吗?
图片尺寸997x384
dac1220e模拟输出故障问题 急 在线等解答
图片尺寸1023x398
dac7811数据手册中提供了如下两种驱动电路,第一种是单极性输出电路
图片尺寸655x253
ltc2758电流输出dac参数介绍及中文pdf下载
图片尺寸1257x1155
某dac的lpf电路分析
图片尺寸692x541
dac_电路
图片尺寸856x510
dac解码器电路图集pcm1702pcm58pcm63pcm1793ad1865tda15412
图片尺寸2390x1201