db9原理图

db9串口接口定义
图片尺寸712x350
db9全串口管脚详细说明
图片尺寸640x506
一种用于多路串口的db9接口装置的制作方法
图片尺寸1000x398
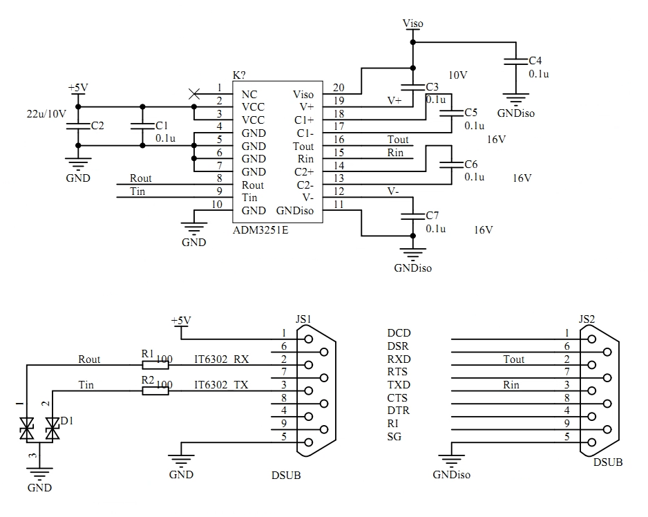
it6302电源后面板的db9接口输出为ttl电平您需要通过附件电平转换后才
图片尺寸938x748
db9_公头_母头_串口引脚定义
图片尺寸704x689
在这里插入图片描述
图片尺寸885x467
db9与max232的连接方法,及pcb设计注意点.
图片尺寸655x437
db9串口定义-1
图片尺寸750x503
db9公头母头引脚定义及连接
图片尺寸422x531
rs232 db9 计算机接口定义和rs232 (db9) max232引脚定义
图片尺寸428x197
rs422abyz信号与db9信号的连接
图片尺寸576x321
db9与max232的连接方法及pcb设计注意点
图片尺寸1071x437
db9针座(rs422/rs485 黑色)接线方式
图片尺寸823x516
db9封装,ttl/cmos/rs232电平基础
图片尺寸392x494
原厂sda616/sdb9hb/sd8067b/sd3038b/sd8906a_电流_控制_电压
图片尺寸543x196
9线制rs232转usb电路图很稳定
图片尺寸1341x606
db9和max232连接
图片尺寸519x249
can总线db9针120欧姆终端电阻can电阻公转母千分之一精度一面针一面孔
图片尺寸716x473
max3232与db9怎么接
图片尺寸960x677
普通can端db9接口定义母头
图片尺寸588x345