igbt模块引脚图

【产品】600v/50a三相sixpack igbt模块v23990-p865-f49/f48-pm,flow
图片尺寸743x517
晶体管,igbt,模块,mg100q2ys51
图片尺寸300x371
>> ic产品 >> 半导体与光电子 分立元件 igbt 模块 价格: 个 1
图片尺寸300x258
晶体管,模块,igbt,mg300q1us51
图片尺寸300x388
afghl40t65sqd和afghl50t65sqd igbt_参数特性_引脚图_封装及应用
图片尺寸644x350
ff400r12ke3 英飞凌/ infineon 两单元400a/1200v igbt模块资料
图片尺寸389x219
igbt引脚图
图片尺寸444x368![变频器维修之igbt模块的原理和测量及判断[1]](https://i.ecywang.com/upload/1/img2.baidu.com/it/u=2198500202,3599756173&fm=253&fmt=auto&app=138&f=PNG?w=500&h=254)
变频器维修之igbt模块的原理和测量及判断[1]
图片尺寸554x281
【高频模块】ff200r12ks4德国英飞凌逆变igbt模块的参数
图片尺寸750x652
2kw变频器设计推荐1200v/15a的igbt模块10-fz12pma015m7-p840a28
图片尺寸380x394
pim(power integrated module)igbt模块
图片尺寸1250x866
igbt功率模块的测试方法
图片尺寸720x645
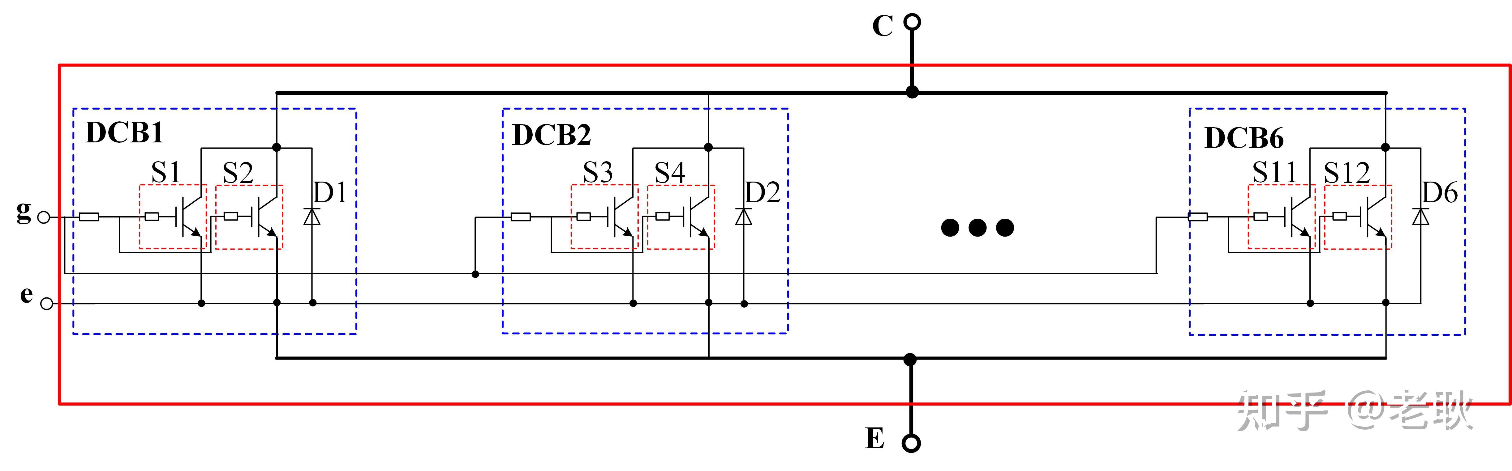
igbt模块内部是什么样的
图片尺寸4888x1525
集成发射极控制二极管芯片技术的三电平igbt功率模块
图片尺寸500x333
什么是igbt模块igbt起什么作用
图片尺寸494x243
深圳做igbt动态测试设备的厂家有吗
图片尺寸554x395
igbt模块内部是什么样的
图片尺寸2919x2081
富士igbt模块6mbp30rh060的驱动电路
图片尺寸531x593
富士igbt模块-产品报价-北京固力通达机电设备有限
图片尺寸500x500
最简单易用的7管封装igbt模块
图片尺寸1035x521