iphone测距仪原理

激光测距仪的工作原理-激光测距仪设备-激光测距仪(图2)
图片尺寸500x293
一种红外线测距系统及其测距方法与流程
图片尺寸1000x484
单片机超声波测距仪程序ad原理图设计
图片尺寸761x608
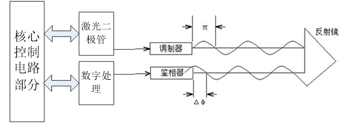
2 相位式光电测距仪的工作原理 相位式光电测距仪的种类较多,但其
图片尺寸1092x453
图2 超声波测距原理图
图片尺寸783x1008
一种激光测距仪的制作方法
图片尺寸1000x437
激光测距仪原理(激光测距仪原理讲解)
图片尺寸1452x1820
一种激光测距仪的制作方法
图片尺寸1000x437
超声波测距仪的工作原理
图片尺寸326x244
激光测距仪原理
图片尺寸494x228
激光测距仪原理
图片尺寸406x237
超声波测距仪原理图和单片机程序
图片尺寸795x580
hc-sr04 测距原理
图片尺寸967x542
一种激光测距仪制造技术
图片尺寸1000x840
单片机超声波测距仪设计程序源码 电路图
图片尺寸1310x858
激光测距仪是什么原理?
图片尺寸685x248
arduino 超声波测距原理_强大的超声波测距仪——倒车雷达设计电路
图片尺寸629x507
> 高精度脉冲激光测距电路的研究二,脉冲激光测距原理 脉冲测距仪发射
图片尺寸888x465
一种激光测距系统的制作方法
图片尺寸1000x861
脉冲式激光测距系统的制作方法
图片尺寸1000x385