led点阵原理图

led发光原理
图片尺寸1080x810
lcd12864液晶屏幕原理图:lcd12864 引脚介绍:12864是一种图形点阵液晶
图片尺寸470x414
单片机16x16led点阵实验
图片尺寸3301x1981
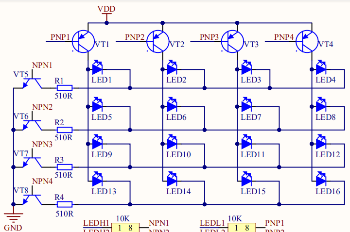
单片机直接驱动16 16led点阵
图片尺寸822x558
无忧文档 所有分类 工程科技 信息与通信 16x16点阵原理图 piled209
图片尺寸1217x806
矩阵led和矩阵按键
图片尺寸720x478
led点阵电路及其动态显示系统的设计
图片尺寸692x578
led8x8点阵显示数字09数字
图片尺寸548x558
基于单片机的全屏幕点阵液晶显示器的应用
图片尺寸945x689
led点阵屏电子钟原理图
图片尺寸938x1530
基于psoc的精简尺寸型led点阵系统设计方案
图片尺寸600x359
基于51单片机的led点阵显示屏设计原理与电路图 能给我一份吗?谢谢了
图片尺寸867x575
51单片机课程设计led点阵广告牌程序设计
图片尺寸1148x827
16*64led显示屏原理图
图片尺寸912x647
两片74hc595驱动点阵的探讨
图片尺寸732x504
stmicroelectronics led8102s led array driver
图片尺寸1080x566
led点阵板使用说明(原理图)
图片尺寸821x681
led点阵原理图-led点阵显示屏原理图-arduino
图片尺寸671x419
led点阵显示屏原理与设计
图片尺寸1080x810
自制16×16led点阵屏 含原理图 程序
图片尺寸740x849