lm2904电路图

lm2904运放电路图如下,采用单电源5v供电,输出波形发生低压削波问题
图片尺寸1440x1080
您好, 比较器lm2903是oc输出,外部需要接上拉,您电路输出接上拉了吗
图片尺寸2418x993
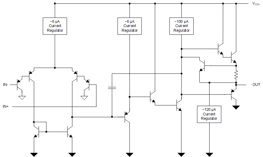
lm2904
图片尺寸852x510
图3 设计主电路图 功率部分: 图3为实际设计中的主电路结构,采用功率
图片尺寸851x352
lm2904压力传感器检测电路
图片尺寸552x303
运放2904输出怎么一直是高电平百思不得其解求解答
图片尺寸549x386
lm358 lm158 lm258 lm2904 双运算放大器电路的典型应用_第1页
图片尺寸1860x2631
检测电路
图片尺寸633x520
lm2904引脚图及功能
图片尺寸640x341
ib很简单,直接查看放大器手册就可以了,查看lm2904
图片尺寸875x408
stm32f407 hal库实现lm2904运算放大后的单通道adc
图片尺寸1006x505
lm2904mx/nopb运算放大器中文资料规格书pdf数据手册引脚图芯片概述
图片尺寸282x147
lm2903问题请教
图片尺寸464x391
lm2901dpdf文件及第8页内容在线浏览
图片尺寸922x1361
ti lm2904 中文手册(部分) - 知乎
图片尺寸865x568
低的静态电流(每个放大器为 300a,典型值)等增强型特性简化了电路设计
图片尺寸1014x821
lm2904引脚图及功能
图片尺寸640x341
运放与比较器的区别
图片尺寸858x570
lm2904做迟滞比较器时,输出vol无法满足规格书20mv指标
图片尺寸613x402![lm2904qdr (etc [电压反馈运算放大器
]) pdf技](https://i.ecywang.com/upload/1/img1.baidu.com/it/u=2873567577,3675902570&fm=253&fmt=auto&app=138&f=JPG?w=500&h=647)
lm2904qdr (etc [电压反馈运算放大器
]) pdf技
图片尺寸850x1100