lm567引脚图及功能

lm567的应用电路
图片尺寸455x411
基于lm567制作的反射式红外检测电路,用于节能信标检测电路
图片尺寸973x626
lm567引脚图及功能
图片尺寸443x200
lm567cmx/nopb引脚图
图片尺寸749x309
稳压电源集成块lm317的管脚排列
图片尺寸506x766
lm567 pdf datasheet浏览和下载
图片尺寸827x1169
lm567中文资料及lm567工作原理及应用在超声波红外等的电路教学教材
图片尺寸1240x1753
由lm567组成的红外线自动洗手器的设计
图片尺寸673x405
lm567及其在检测电路中的应用
图片尺寸915x487
lm567引脚图及应用电路
图片尺寸384x283
lm567的调制解调电路
图片尺寸768x424
lm567三极管放大倍数
图片尺寸739x372
调频和解调芯片lm567/lmc567的使用方式总结
图片尺寸1028x438
由lm567组成的红外线自动洗手器五种红外线自动洗手器电路详解全文
图片尺寸764x423
lm567应用电路图
图片尺寸610x466
lm567m/tr 封装soic-8 丝印lm567 音频接口芯片ic-阿里巴巴
图片尺寸360x360
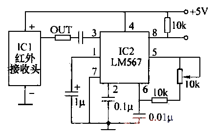
lm567红外接收电路
图片尺寸501x296
干货|lm567引脚图及功能 工作原理 应用电路讲解,带你轻松搞定 - 采芯
图片尺寸1260x870
lm567是一片锁相环电路,采用8脚双列直插塑封.
图片尺寸442x278
lm567原理及应用
图片尺寸498x270