m6平头螺丝尺寸

9级平头内六角螺栓螺丝内六角螺丝钉 m6-1.0*8-70
图片尺寸800x1000
敬平螺丝部件 m8m10m12*14x18/22/200不锈钢304杯头内六角螺丝钉加长
图片尺寸1500x2322
美国进口平头(平杯内六角螺丝7.jpg
图片尺寸800x800
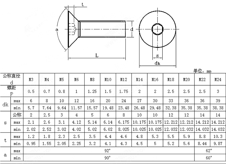
m6螺距标准多少?
图片尺寸600x350
谁有m6平头内六角螺丝的尺寸,如果有m5的就更好啦,主要是要它头的尺寸
图片尺寸610x612
din7991国标304不锈钢沉头内六角螺丝平头内六角螺栓m3 m4 m5 m6
图片尺寸1000x710
9级平端紧定无头内六角螺丝 平头机米 顶丝m6系列
图片尺寸435x572
m5m6蓬发201不锈钢平机螺丝十字平头机牙螺丝十字沉头螺丝螺钉
图片尺寸790x1360
螺丝六角土豪金色钛金沉头m6m2.5m3m4m5m2平头螺钉螺钉
图片尺寸750x750
m5镀白129级平沉头六角螺丝钉合金钢din7991芳生强度螺钉
图片尺寸2098x2463
201不锈钢平圆头内六角螺钉m4m5m6m8m10m12圆头内六角螺丝蘑菇头
图片尺寸750x600
镀锌din7991公制平杯10.9级平头六角螺钉沉头螺丝螺栓
图片尺寸700x814
304不锈钢沉头内六角螺丝平杯螺钉平头内六角螺栓m2m3m4m5m6m8 m2*4
图片尺寸790x1180
同时某些尺寸无法由「指定规格,尺寸」中选择,敬请注意 (d) 小螺丝
图片尺寸700x569
m2m3m4m5m6m8304不锈钢cm薄头螺丝大平头内六角螺丝钉扁平头螺钉m2
图片尺寸782x761
罗丝大全109级平杯平头沉头内六角螺丝螺钉m5m610x12x16x20x25x30x35m
图片尺寸750x546
m6m8m10m12沉头六角螺丝不锈钢平杯头六角机螺钉din7991螺栓
图片尺寸750x512
手拧画架螺丝m610配件五金
图片尺寸800x1156
【螺钉】m4m5 304不锈钢cm扁平头大平头内六角螺丝
图片尺寸800x800
9级平头内六角螺丝沉头内六角平杯螺丝m6_不打折现价3元
图片尺寸697x821