moc3020引脚图及功能

推荐 商品
图片尺寸750x1164
变频器 - 热门商品专区
图片尺寸860x783
1hc32f460华大air724ug4ggprs基本控制篇自建物联网平台硬件使用说明
图片尺寸579x753
商品详情云采
图片尺寸750x653
散新仙童 moc3020m 光电耦合器 三极与 scr 光耦直
图片尺寸360x360
rs232串口的windows编程纪要
图片尺寸471x436
光幕传感器
图片尺寸700x882
产品详情
图片尺寸790x551
原理图与引脚图
图片尺寸920x1302
商品详情图片
图片尺寸790x975
b-2200s20p-b120_(ckmtw(灿科盟))b-2200s20p
图片尺寸1240x1754
昆明zw20-12 zw20-12
图片尺寸698x868
pt2313
图片尺寸672x716
moc3022m pdf下载及第6页内容在线浏览
图片尺寸1038x1428
moc3023
图片尺寸1240x1754
kbo-45c/m40/06mf江苏办事处
图片尺寸680x761
protues里面这个器件是什么,怎么找?
图片尺寸287x475
stm32f103引脚图
图片尺寸3427x2442
stm32f103c8t6
图片尺寸1572x1796
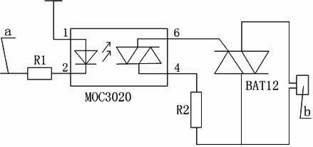
包括芯片moc3020和可控硅,所述的芯片moc3020的第一引脚连接在电源上
图片尺寸439x207