pcb原理图设计

【分享】基于stm32f103c8t6控制板应用原理图pcb代码涉及ds18b20_电压
图片尺寸1799x1012
【分享】基于stm32f407zet6的开发板原理图和pcb
图片尺寸1799x1012
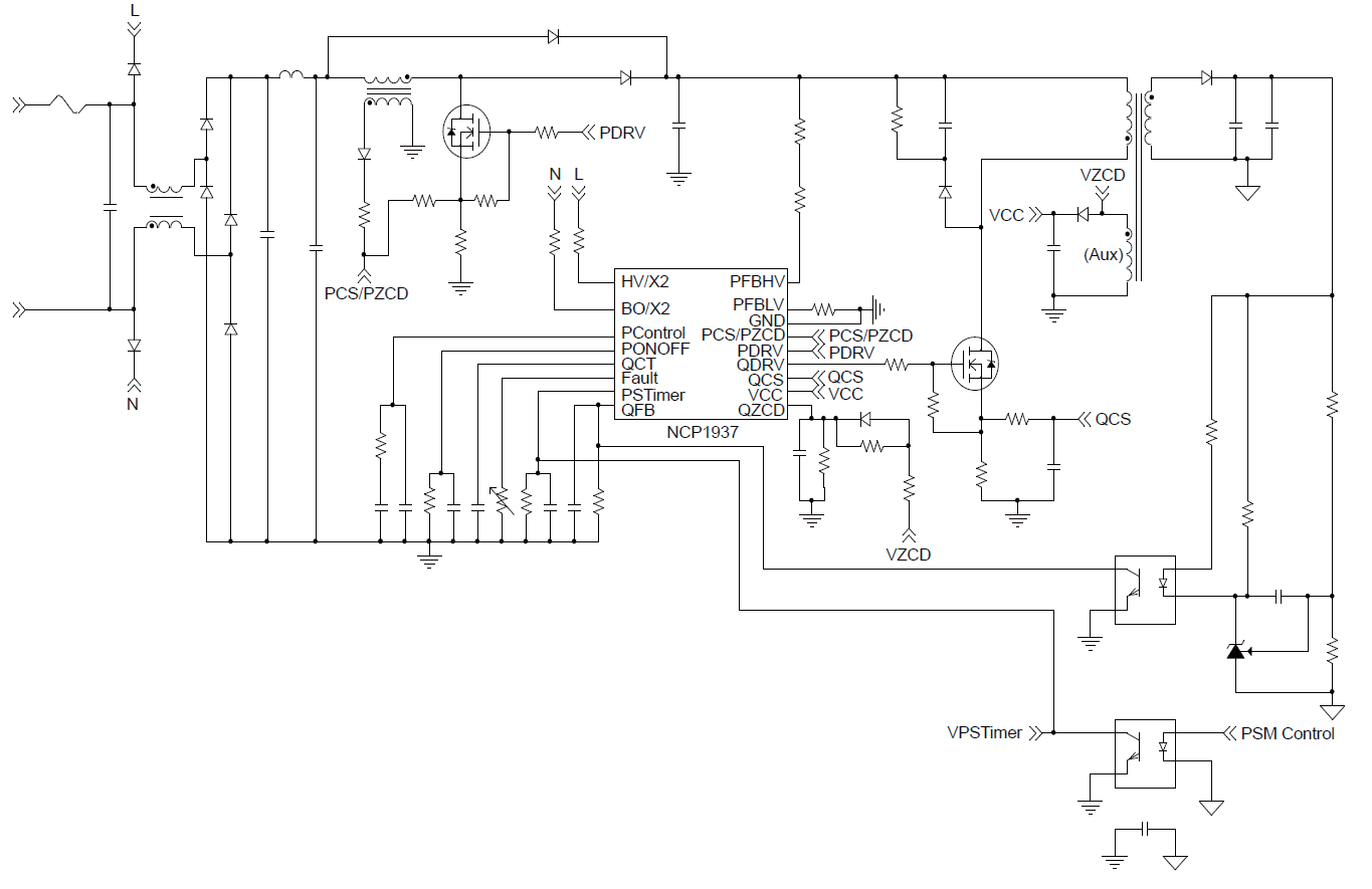
ac-dc控制器pcb布局指南
图片尺寸1365x885
51单片机最小系统原理图与pcb图
图片尺寸703x570
今天就把原理图画好导入pcb,明天再细细布局#pcb设计 # - 抖音
图片尺寸789x551
pcb打样格式pcb打样用原理图可以吗
图片尺寸2000x1711
1 测试电路板原理图2,快速制版单面pcb6969如下是为了使用一分钟
图片尺寸1004x850
220vac转5v-12vdc开关电源套件,电源pcb电路板,ad原理图设计资料
图片尺寸758x627
三极管流水灯,文氏桥正弦波振荡器,555定时器多谐振pcb原理图 - 模拟
图片尺寸1292x812
两节锂电内置升压2×20w蓝牙户外音箱方案demo pcb顶层设计图
图片尺寸2048x1339
原理图pcb图实物图1.
图片尺寸1080x747
pcb零基础入门(三)原理图的绘制
图片尺寸1920x1080
基于51单片机的红外感应防盗报警设计 仿真程序与pcb原理图资料
图片尺寸900x548
原理图与pcb图
图片尺寸3565x2318
基于stm8s207c6单片机设计工业升降机,电机控制板硬件(原理图 pcb bom
图片尺寸872x544
arm7系统板pcb
图片尺寸3524x2522
基于单片机控制的交通灯控制系统的设计原理图和pcb的导出图pcb
图片尺寸3567x2355
这是一个数字温度计的原理图和pcb! pcb
图片尺寸3565x2355
单片机_基于51单片机的简易计算器设计(仿真 程序 原理图 pcb图 设计
图片尺寸1198x782
理工大学红外测距pcb原理图
图片尺寸3565x2355