plc的作用

plc技术在电气设备自动化控制中的应用
图片尺寸877x491
plc基本组成和工作原理ppt
图片尺寸800x600
基于plc的变频器控制在茶叶揉捻机中的应用
图片尺寸838x500
关于plc的问题,二台电动机顺序启动,分别停止系统设计
图片尺寸1213x706
plc的实际应用,每个人都应该注意这三点!
图片尺寸1000x698
科普plc及用途 想入手plc工控行业的朋友加油!
图片尺寸960x1280
用plc完成对伺服轴的运动控制
图片尺寸606x327
plc工程师教你如何扎实plc基础,一步一步入门掌握
图片尺寸694x530
plc的基本结构和工作原理
图片尺寸607x293
plc工作原理及组成.pptx 9页
图片尺寸1152x864
气动取模机械手夹具的plc控制
图片尺寸1000x747
气动采摘机械手快速控制系统设计基于plc和mcgs组态软件
图片尺寸1654x1819
慈溪plc的基本结构和作用
图片尺寸640x358
plc灯 - 热门商品专区
图片尺寸2000x1646
什么是plc
图片尺寸1029x772
透明液压plc控制装置(内泵站带组态软件)
图片尺寸655x393
三菱plc梯形图指令符号中各名称的作用
图片尺寸564x642
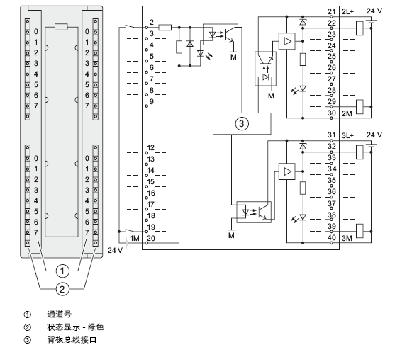
西门子plc晶体管输出的m有什么作用
图片尺寸574x511
plc的结构,各部分的作用及plc的工作原理-青岛新闻网
图片尺寸491x216
承接成都plc自动化项目开发
图片尺寸750x1001