qp3-12a接线图

三相12p接线图
图片尺寸1606x1574
过热保护器接线
图片尺寸412x376
拆个冰箱压缩机的ptc启动器 qp3-12a,这样接线对吗?
图片尺寸800x600
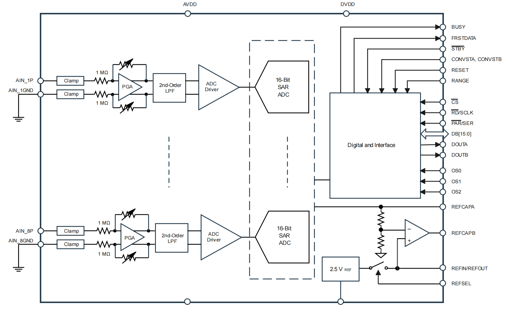
3peak思瑞浦tpafe5160si08-qp7r,p2p替代ad7606,国网认证,国产化证明
图片尺寸1681x1027
拆个冰箱压缩机的ptc启动器 qp3-12a,这样接线对吗?
图片尺寸800x866
3peak思瑞浦tpafe5160si08-qp7r,p2p替代ad7606,国网认证,国产化证明
图片尺寸1031x926
上海祥树banner激光位移传感器lm150irsdqp-x232-阿里巴巴
图片尺寸465x507
四串铁锂电池保护电路_接线图分享
图片尺寸569x339
8051单片机接24v继电器这个接线图对吗?
图片尺寸3264x1840
snqp999银猴子吊坠足银孙悟空戴箍立体挂件本命年生肖猴小孩银饰3本色
图片尺寸350x350
拆个冰箱压缩机的ptc启动器 qp3-12a,这样接线对吗?
图片尺寸1380x1035
拆个冰箱压缩机的ptc启动器 qp3-12a,这样接线对吗?
图片尺寸1380x1035
pic.qjimage.com 宽600x431高宝马rcd114-05尾插接线图img.qp333.
图片尺寸711x383
适用海尔冰箱启动器保护器qp3-12a 4uf启动电容ptc启动器压缩机附
图片尺寸400x400
容61声冰箱压缩机启动器 美的海尔冰柜 ptc保护器 qp2-15 过载
图片尺寸800x800
球泡灯(qp016)-爱企查
图片尺寸952x1944
冰箱启动保护器 qp3-12a j jx压缩机过载保护继电器 启动器组件
图片尺寸1279x1280
p data-id="thldqphj3ozb">《抵达:一部政治演化史》是2023年上海
图片尺寸350x350
拆个冰箱压缩机的ptc启动器 qp3-12a,这样接线对吗?
图片尺寸800x568
20220623105755front2_0_6562789_fug3l2p-qp3emzfimhbp8zufdzdi.jpg
图片尺寸872x1920