sic9556a电路图

sic9556a数据表pdf1pageshenzhensisemiconductorscoltd
图片尺寸892x1261
电路
图片尺寸1762x2047
sic9553a pdf文件_sic9553a供应商_pdf文件在线浏览页面【1/9】-天天
图片尺寸978x1504
sic肖特基二极管在开关电源中的应用
图片尺寸3142x1692
768xfj控制ic和rohm生产的1700v耐压sic-mosfet的辅助电源的主要电路
图片尺寸1386x545
sic mosfet非放电型rcd缓冲电路的设计
图片尺寸738x811
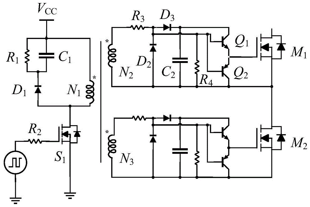
一种基于多绕组变压器耦合的串联sicmosfet驱动电路
图片尺寸1000x668
集成音频放大电路图
图片尺寸1521x1003
sic_电路
图片尺寸1224x751
包括功率电路,数字控制电路和sic驱动电路;功率电路包括相连接的直流
图片尺寸1759x1748
电路_电容_电压
图片尺寸610x622
碳化硅sic二极管在pwm整流器中的应用 - 亿伟世科技
图片尺寸1280x750
一种sic mosfet驱动电路的制作方法
图片尺寸1000x940
sic驱动电路图推荐
图片尺寸574x202
图3:半桥等效电路如何通过多层结构实现驱动模块是在开发测温系统时
图片尺寸640x469
接下来对用于3kw输出功率,采用两相交错并联半桥llc的电路拓扑中的
图片尺寸1080x1106
电路_电容_电压
图片尺寸732x524
采用sic mosfet,如何设计一种电路驱动大功率电灯或电动机?
图片尺寸3537x1660
全碳化硅sic高功率密度高频率的前瞻性充电桩电源参考设计方案
图片尺寸624x436
sic器件如何颠覆不间断电源设计
图片尺寸703x555