sma接头型号大全

sma偏脚/正脚 弯脚射频 sma-ke/kwe/khd/ipex/ipx接头 天线座子
图片尺寸790x1605
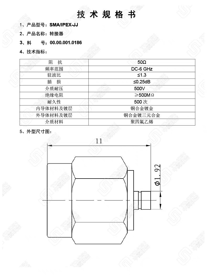
90193-001金特诺 ipex转sma公头 连接器 双通转接头 ipex-sma-jjg型号
图片尺寸790x1052
4mm, 672.92mm,3.5mm和sma连接器
图片尺寸616x531
sma905-sma905金属铠装 7.0mm石英光纤跳线 100-1000um 长度可选
图片尺寸750x566
sma外牙内孔sma90度母座射频同轴电缆连接器
图片尺寸1000x1500
射频连接器sma-jw-3.0弯式公头内螺纹内针50-rg58压焊接馈线接头
图片尺寸800x800
sma公头母头多款接头天线座pcb焊接头rf射频smb同轴连接器天线座
图片尺寸750x978
sma接头_sma连接器生产厂家 - 仁昊伟业
图片尺寸2048x1331
sma接口对接示意图.
图片尺寸750x750
smatnc公头母头转接头jkjjkk射频连接器连接器
图片尺寸750x750
sma接口供应商德索连接器
图片尺寸790x554
sma转接头射频同轴连接器ke偏脚直式外螺纹母头公针全铜镀真金
图片尺寸790x917
gps天线座 gsm天线座 外螺纹内孔 sma接口 弯头sma接头座子
图片尺寸757x419
光纤头st fc sma905 1mm 980/1000um光纤连接器 塑料光纤接头
图片尺寸706x1420
sma连接器接头母头射频同轴线缆ut250直式穿墙防水
图片尺寸3489x2390
sma接头射频同轴连接器115牙接线端子ke偏脚母针内孔全铜镀真金
图片尺寸790x917
ipex转sma连接线_04.jpg
图片尺寸750x1584
求购sma_smd的天线头
图片尺寸3300x2550
sma905光纤接头跳线 实验室光纤 石英 紫外光-可见光 纤芯400um vis
图片尺寸750x424
sma穿孔式直头带公针插头镀金连接器
图片尺寸3489x2390