tda2009功放电路图

维修教程知识 电子制作 用高保真功放ic tda1521a制作功放电路,具有
图片尺寸608x244
100w 功放电路图
图片尺寸677x403
tda2030btl功放电路图
图片尺寸600x480
并且可以根据自己的情况选取末级功放集成电路,由于通
图片尺寸744x400
tda1521a双声道集成功放电路图
图片尺寸600x433
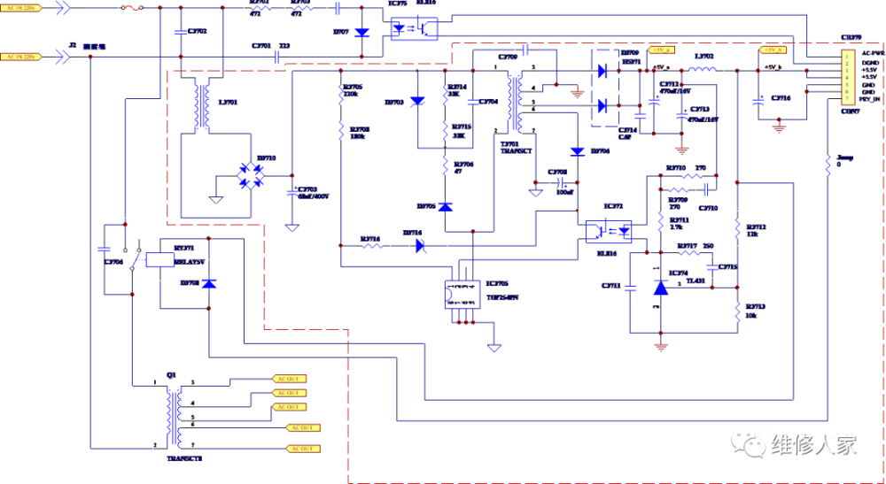
雅马哈功放不开机故障检修1例
图片尺寸1000x547
10 10w放大器电路图
图片尺寸500x371
雅马哈熄火线接线图
图片尺寸1597x981
tda2616功放集成电路引脚功能及应用电路
图片尺寸840x658
tda2009功率放大器电路图
图片尺寸577x386
菜鸟关于放大器电路的几点请教 tda2009a与btl
图片尺寸1037x642
报价-赛格网; tda2003功放电路图; l7805cv l7808cv_l7805cv引脚图,l
图片尺寸614x523
tda2009为双声道音频功率放大集成电路,输出功率2×10w(条件:24v工作
图片尺寸526x434
305,音频功放电路图tda2020306,音频功放电路图tda2030307,音频功放
图片尺寸1080x810
tda2009伴音功放电路典型应用电路图
图片尺寸800x337
基于tda2009a芯片的小功放-其他音频电路图-电子产品世界
图片尺寸577x386
tda2009功放电路图
图片尺寸640x480
tda2009音频功放ic电路图
图片尺寸640x480
tda2003功放电路设计
图片尺寸662x337
tda2050功放电路图做2.1声道音响
图片尺寸517x318