wson8封装尺寸图

wsonqfndfn-8烧录座2mm0.5脚距转换烧写适配器socket连接器
图片尺寸708x769
wson 8x6-1
图片尺寸932x374
27 wson8抖音小红书同款网红热销 - 连接器 - 淘宝网
图片尺寸800x800
qfn8烧录座127mmwson8编程测试socket适配开发板
图片尺寸870x801
wsonqfndfn8烧录座3mm065脚距转换烧写适配器socket连接器
图片尺寸628x489
65mm锂电池保护ic ssop8测试座-阿里巴巴
图片尺寸750x541
封装外形尺寸(sop-8贴片)
图片尺寸635x671
lmv841
图片尺寸1009x1403
封装外形尺寸(tssop-20贴片)
图片尺寸660x699
sop8外形图与封装尺寸
图片尺寸930x1225
njm2586avc3 封装图njm2586al 封装图●封装 (sdip22,ssop20-c3)
图片尺寸630x689
827_1169竖版 竖屏
图片尺寸827x1169
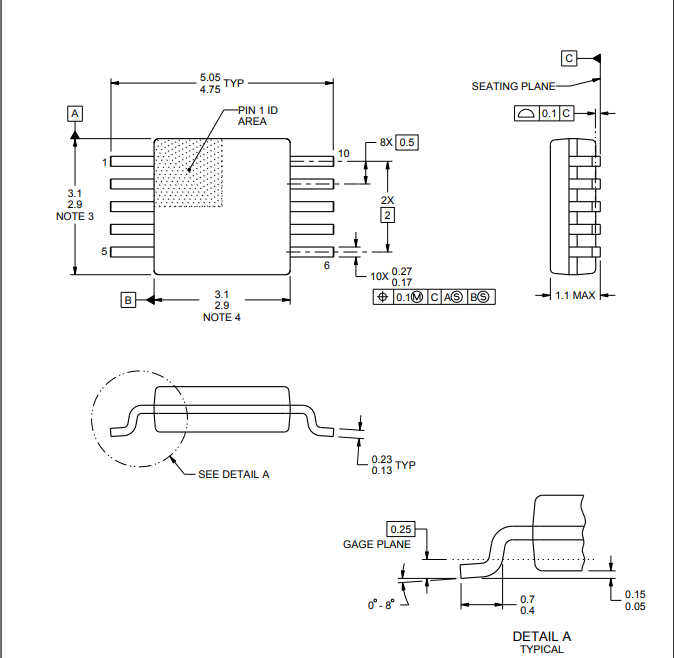
13.3 8-contact 8x6mm wson(封装代码 ze)
图片尺寸663x753
封装外形尺寸(dip-28直插)
图片尺寸701x626
士兰微一级代理 sdh8302 5w 电源管理芯片ic dip8封装
图片尺寸710x465
封装外形尺寸(sop-28封装)
图片尺寸680x651
w25x10, w25x20, w25x40, w25x80
图片尺寸930x1176
常用贴片元件封装尺寸图doc
图片尺寸860x1216
lp3982 wson_layout_snvs185.gif
图片尺寸490x431
wson-10(4 mm×4 mm)和vssop-10封装低功耗电源导轨欠压锁定以15ns
图片尺寸674x658