一号电池图片尺寸

超威1号电池48v60v72v电动车石墨烯电池三轮车电瓶车a 铅酸蓄电池
图片尺寸750x715
创新设计,引领无线化未来,赛富德safd 18650 26ep电芯评测_电池_什么
图片尺寸1080x721
常见电池大小
图片尺寸759x944
超威电池48v12a48v20a60v20a72v32a45ah国标电动车电池铅酸蓄电瓶
图片尺寸800x800
新界葵青区1号干电池厂家 aaa碱性电池.我厂位于河南新乡, - 抖音
图片尺寸4344x4344
1~9号电池尺寸型号对照表 电池在我们的日常生活中扮演着重要的角色
图片尺寸1242x1660
蓄电池参数主要有哪些
图片尺寸1012x779
5v电池七号锌锰干电池英文40颗包邮-阿里巴巴
图片尺寸790x810
gp超霸7号电池aaa碳性5号电池aa干电池空调遥控器五号大七号电池
图片尺寸750x1000
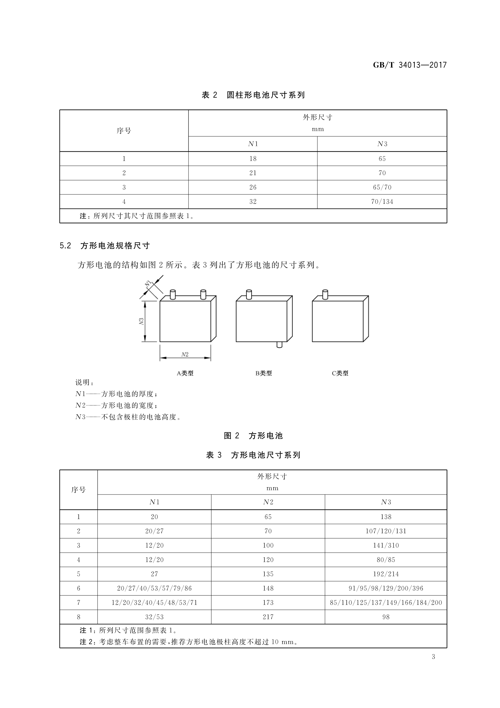
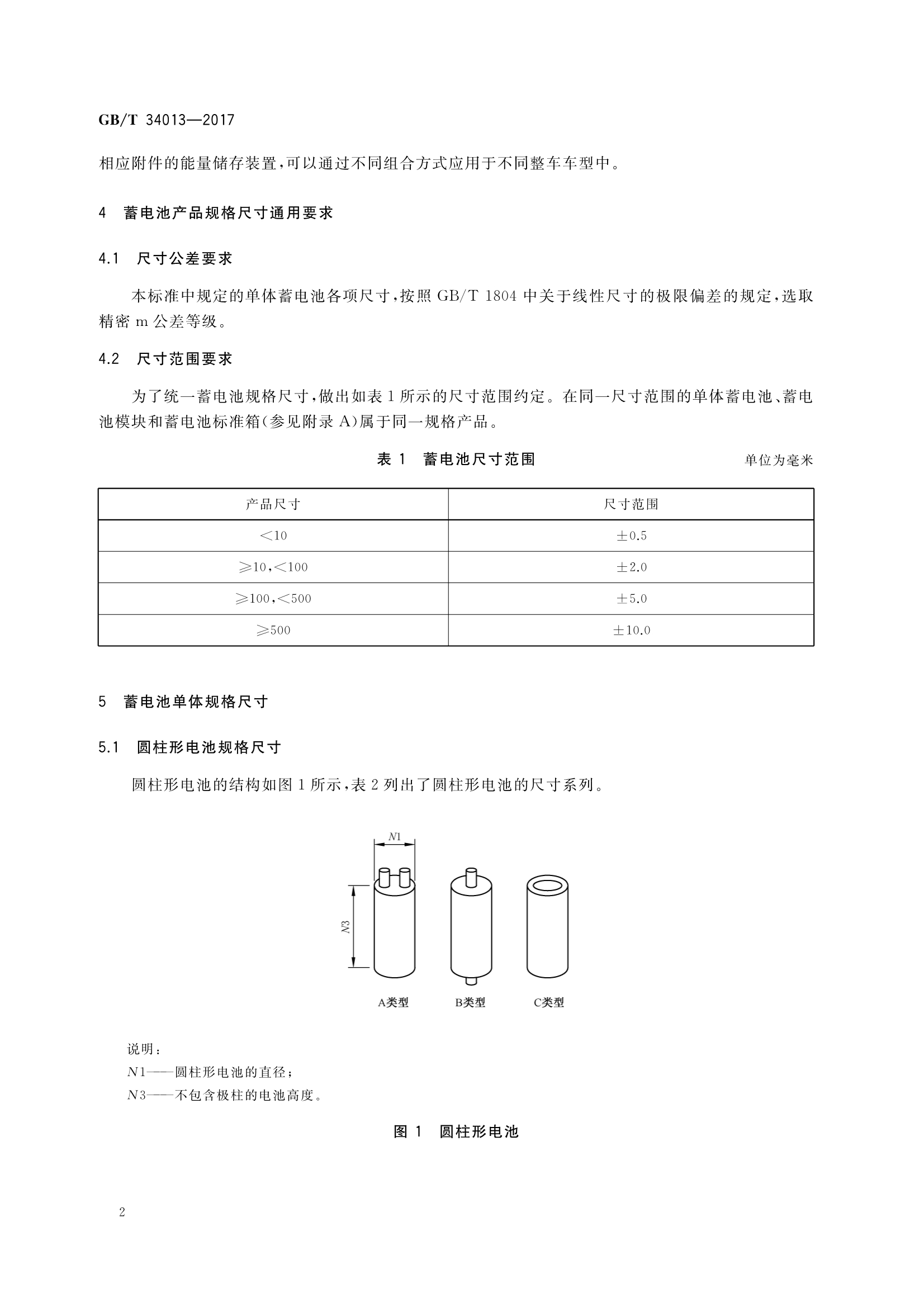
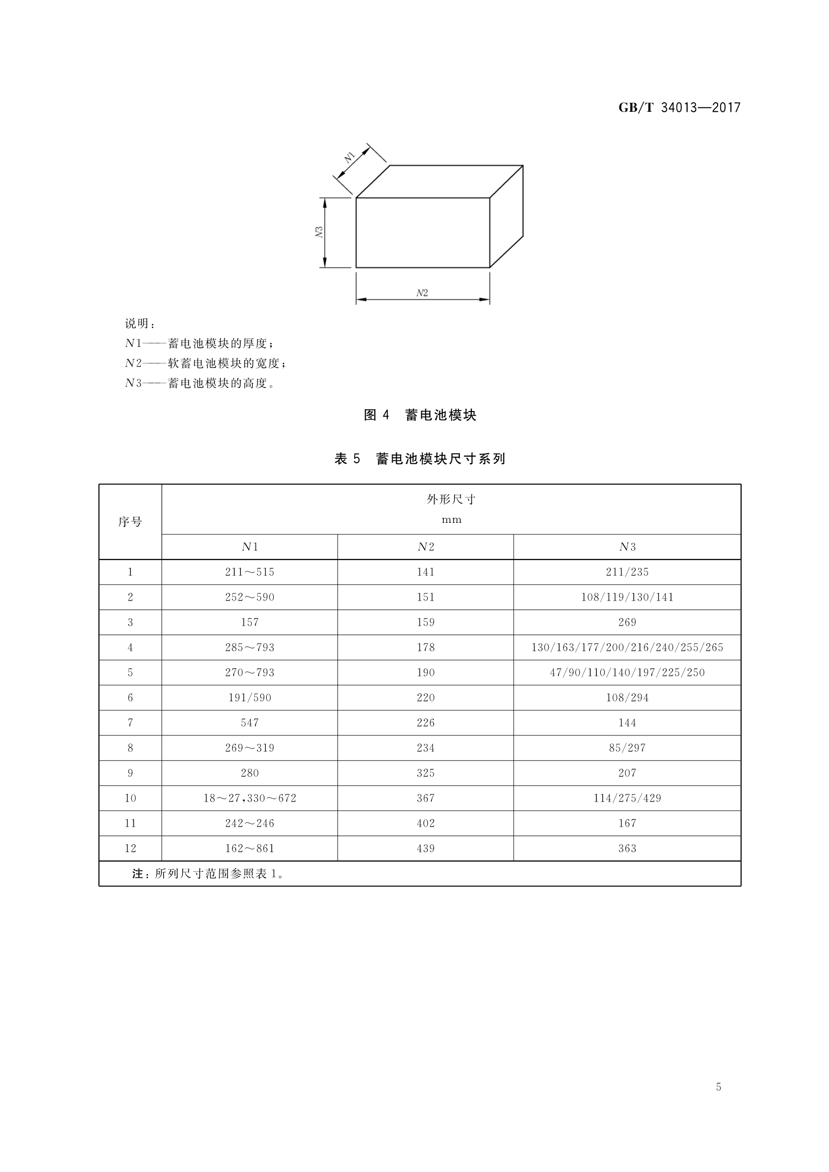
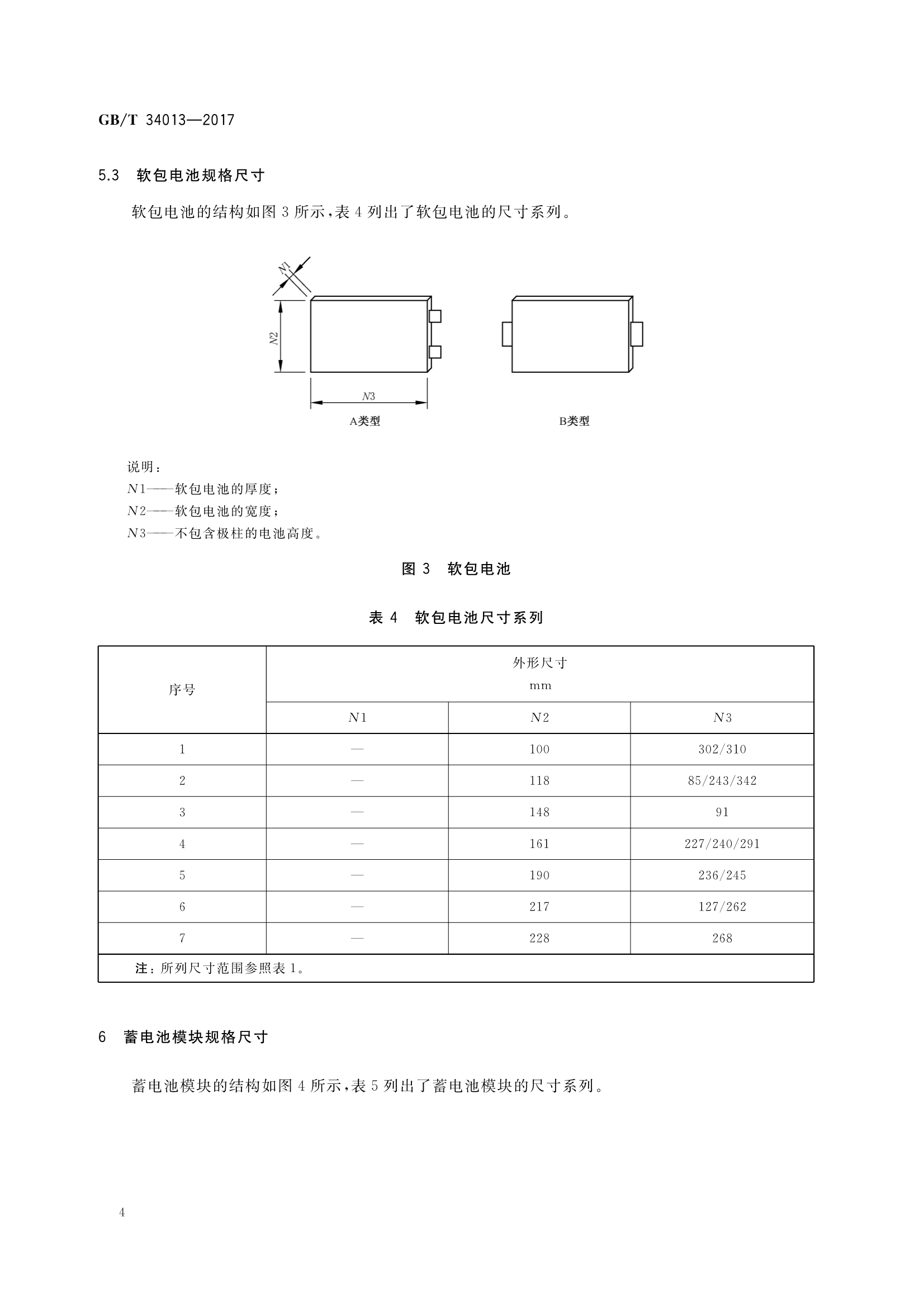
电动汽车用动力蓄电池产品规格尺寸
图片尺寸1653x2338
汽车蓄电池型号对照表,汽车电瓶型号尺寸对照表图片
图片尺寸500x1139
电瓶车电池多大,电瓶车电池多大容量好
图片尺寸430x500
常见电池大小 家里燃气灶一般1号电池,时钟5号电池.
图片尺寸1170x1681
电动汽车用动力蓄电池产品规格尺寸
图片尺寸1653x2338
东芝2号3号电池r14中号c型玩具15v碳性铁壳干电池吸塑装2节
图片尺寸800x800
一次性电池常用类型
图片尺寸554x224
电动汽车用动力蓄电池产品规格尺寸
图片尺寸1653x2338
电动汽车用动力蓄电池产品规格尺寸
图片尺寸1653x2338
南孚丰蓝1号燃气灶电池天然气一号灶具热水器大号d型电池批发 南孚
图片尺寸790x1188
电动汽车用动力蓄电池产品规格尺寸
图片尺寸1653x2338