一键启停电路图

一键控制启停原理图-专业自动化论坛-中国工控网论坛
图片尺寸600x450
单按钮启停 - 电工技术 中华工控网 工控论坛 http://bbs.gkong.com/
图片尺寸446x477
一键启停原理图!
图片尺寸960x1280
单按钮起停回路-土木在线论坛0
图片尺寸1088x764
何为plc梯形图,我这样比喻合适吗?
图片尺寸640x605
单按钮控制电动机启动和停止,如何用继电器和接触器来实现与优化
图片尺寸596x402
单按钮启停电路-最常见电路-电工基础知识 - powered by discuz!
图片尺寸588x542
3个元器件组成的一键启停电路,掌握了要点接线非常的简单_手机搜狐网
图片尺寸640x460
一个按钮控制电动机启停电路图_百度知道
图片尺寸643x682
接触器控制的一键启停电路原理
图片尺寸640x655
一键启停电路 一键启动停止电路图
图片尺寸641x454
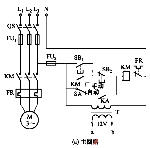
电机一键启停电路分析
图片尺寸640x540
电机一键启停电路分析
图片尺寸640x550
电动机交流接触器启停控制接线图 - 电路图分享_电工学习网
图片尺寸670x502
电机启停控制电路--哪位大哥能解释一下,这个电路sb1首次按下时的动作
图片尺寸640x639
两个cmos串联电路图 - 电子发烧友网
图片尺寸498x345
间歇式循环控制启停电路之六a–电路图–电子工程世界
图片尺寸516x508
如何使电动机自行启动_百度知道
图片尺寸720x540
单按钮启停电路图_接线图分享
图片尺寸1052x718
电机一键启停电路分析
图片尺寸640x473