一阶低通滤波器

2 一阶滤波电路ppt
图片尺寸1080x810
求一阶有源低通滤波电路图(30khz,贝塞尔滤波器),那位大神指点一下
图片尺寸332x211
p>一阶低通滤波器的特性一般用 a href="#" data-lemmaid="8440011">
图片尺寸555x366
采用运算放大器的一阶低通滤波器
图片尺寸310x244
求一阶有源低通滤波电路图(30khz,贝塞尔滤波器),那位大神指点一下
图片尺寸442x306
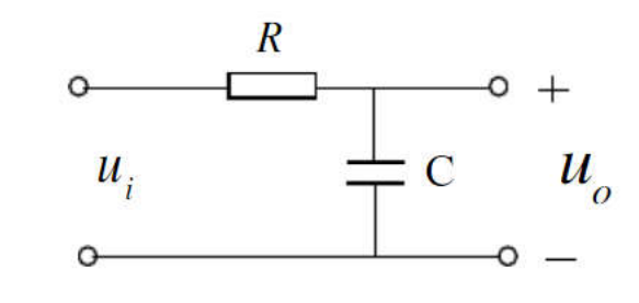
一阶rc低通滤波器
图片尺寸606x361
一阶低通滤波器
图片尺寸363x219
一阶低通巴特沃斯滤波器
图片尺寸548x287
一阶rc低通滤波器杂记__凤凰网
图片尺寸941x376
3若将低通滤波器和高通滤波器进行适当的组合,即可构成滤波器和滤波器
图片尺寸1382x923
一阶低通滤波器
图片尺寸640x403
有源低通滤波器
图片尺寸508x422
下述的一阶有源低通滤波器就与无源低通滤波器具有相同的传递函屎和
图片尺寸442x231
一阶低通滤波器cmatlab
图片尺寸583x277
使用运算放大器的一阶低通滤波器
图片尺寸518x249
无源一阶低通滤波器电路及参数计算公式www.dz3w.com
图片尺寸489x393
《系统建模与仿真》考查试题一阶低通滤波器建模与仿真,作业求解答,高
图片尺寸842x484
低压有源电力滤波器(apf)
图片尺寸500x335
我知道这是一个有源低通滤波器又叫电压缓冲电路,只想问c19/104的作用
图片尺寸481x417
一阶lpf和二阶lpf有源低通滤波器的电路运算
图片尺寸438x250