万年历内部接线图

使用51单片机和ds1302实现万年历的pcb原理图免费下载
图片尺寸1014x642
数电实训万年历
图片尺寸1194x615
我家的电子万年历坏了.
图片尺寸419x581
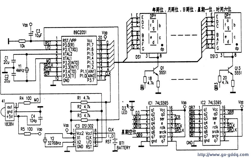
tg2518万年历原理图
图片尺寸1065x649
数码万年历芯片集资料及相关的应用电路
图片尺寸808x596
单片机电子万年历带农历显示
图片尺寸686x601![tg2518万年历原理图[1]](https://i.ecywang.com/upload/1/img1.baidu.com/it/u=728869079,2001456222&fm=253&fmt=auto&app=138&f=JPEG?w=679&h=500)
tg2518万年历原理图[1]
图片尺寸1068x787
万年历
图片尺寸843x534
基于51单片机的数字时钟万年历
图片尺寸877x805
万年历电路图数码管显示带温度
图片尺寸1053x670
多功能电子万年历的制作方法
图片尺寸723x1000
led电脑万年历电路及改进
图片尺寸1083x1026
基于单片机电子万年历ds1302;ds18b20;lcd1602整体电路图
图片尺寸1170x744
电子万年历
图片尺寸1270x804
单片机万年历原理图pcb文件altiumdesigner格式
图片尺寸1498x821
多功能万年历时钟系统电路仿真图
图片尺寸548x815
12864显示万年历套件_接线图分享
图片尺寸1232x1600
万年历电子钟定时套件
图片尺寸667x875
单片机万年历设计,要求用1602显示日期温度湿度
图片尺寸566x503
数字万年历系统原理图
图片尺寸1049x735