万能型材加工图

菱形垫片冲压倒装复合模具设计
图片尺寸594x841
流水线铝型材图纸集合图
图片尺寸920x1302
铝型材 qy-8-50100w
图片尺寸751x428
铝型材qy84080w
图片尺寸751x428
工业铝型材图片工业铝型材配件标准件铝型材
图片尺寸680x479
万能铣头装配图
图片尺寸998x600
供应6061-t6燕尾型材 万能型材 皮轨50型材
图片尺寸341x513
流水线型材图纸60×40
图片尺寸469x469
工业铝型材,80系列工业铝型材_广东健宇安全科技有限公司
图片尺寸930x465
万能铣头装配图dwg图纸
图片尺寸819x605
鱼缸型材.流水线自动化型材
图片尺寸1826x1667
冶金矿产 金属加工材 铝及铝合金材 河南铝型材 铝型材配件厂家 铝
图片尺寸415x453
铝型材qy840160
图片尺寸751x428
加工中心考证图纸8
图片尺寸1537x2139
工业铝型材框架制造要求-澳宏铝业
图片尺寸800x589
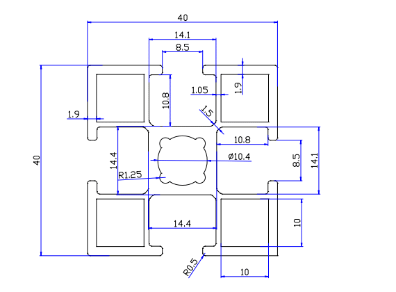
铝型材2040a
图片尺寸530x369
专业提供:图纸绘制,模具设计与开发,材质熔炼铸棒,型材挤压,阳极氧化
图片尺寸570x420
铝型材紧缺,模具钢库存告急,吃我一波工业材料安利!
图片尺寸498x720
手机前后盖薄壁件多件注塑模具设计含nx三维及5张cad图
图片尺寸1200x800
上海diy精品燕尾角型材 加硬铝万能滑轨 b50型材座子皮轨稳定***包邮
图片尺寸795x558