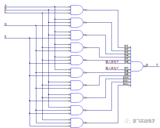
三人表决器仿真图

译码器将一个数据转换成一根信号线上的信号,比如3/8译码器,可以将一
图片尺寸381x259
12.器原理及制造仿真11.组成及仿真10.构建及仿真9.
图片尺寸579x263
毛刺
图片尺寸250x106
64用逻辑门画出 d 触发器
图片尺寸555x447
卡诺图|2|21
图片尺寸167x220
定制三人表决器制作套件 3人表决器 电子技术基础与技能 实训配套 空
图片尺寸800x800
一文教你高速pcb信号完整性仿真怎么做(附1000 精选资料教程)
图片尺寸537x522
74hc74芯片是一个d型触发器,有两个电路,每个电路用来保存a寄存器和
图片尺寸1080x763
amesim液压系统仿真集训营开营啦!| 30个案例精讲 61 15天互动授课
图片尺寸715x548
卡诺图
图片尺寸268x209
3人表决器套件 三人 配电路图 焊接 电工电子制作教学实训 diy散 空
图片尺寸800x800
fpga实验箱, fpga实验实训设备,fpga实验实训装置
图片尺寸800x800
电磁兼容试验和测量技术浪涌(冲击)抗扰度试验
图片尺寸920x1300
微机综合实验装置是一套开发型,该系统吸收了国内外先进教学仪器的
图片尺寸802x679
图文全国政协委员在按表决器
图片尺寸550x366
图文:政协闭幕--委员按表决器
图片尺寸450x622
出彩中国人
图片尺寸440x293
政协第十二届全国委员会常委会第十次会议举行
图片尺寸940x680
老乡鸡,主动撤单ipo_束从轩_门店_快餐
图片尺寸800x489
代表们现场对各项决议,决定草案通过表决器进行表决.
图片尺寸800x530