三态门电路图

2.1 三态门电路 (a) 电路图 (b) 代表符号
图片尺寸493x274
数字电路--三态门解析_三态门输入与输出关系-csdn博客
图片尺寸908x1164
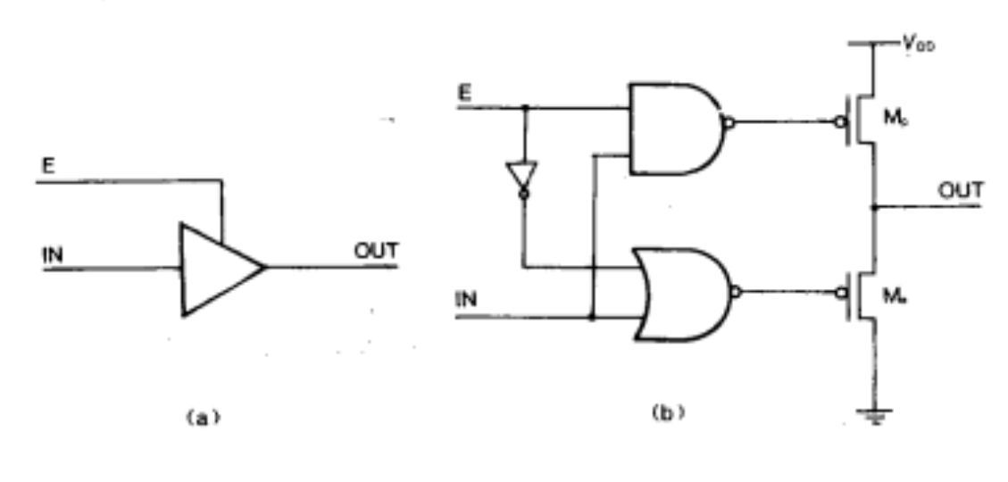
图34 cmos三态门的电路
图片尺寸539x347
三态输出门电路( ts(three-state output gate)门)
图片尺寸378x317
本发明涉及集成电路技术领域,尤其涉及到三态门.
图片尺寸923x1000
三态输出电路
图片尺寸1129x540
一种三态门电路的制作方法
图片尺寸1000x672
三态门有一个信号控制端en高阻态与三态门的电路原理分析
图片尺寸630x454
一文读懂高阻态和三态门电路原理
图片尺寸630x454
cn108900189a_一种三态门电路在审
图片尺寸1214x1317
三态输出门电路及应用
图片尺寸553x359
这个是ttl三态门,当控制端en为低电平时,二极管d导通使t4基极钳位在0.
图片尺寸3328x1872
三态门
图片尺寸1436x1079
三态门逻辑电路图大全三款三态门逻辑电路图
图片尺寸908x632
cn110336554a_三态门电路在审
图片尺寸1000x604
一文读懂高阻态和三态门电路原理
图片尺寸630x454
一种三态门电路的制作方法
图片尺寸1000x604
数字逻辑 三态门组成的总线换向开关电路 习题
图片尺寸706x484
上图为三态门输出门电路的原理图.
图片尺寸378x317
三态门电路
图片尺寸1080x810