三段式电流保护

什么是三段式电流保护?
图片尺寸960x720
什么是三段式电流保护?
图片尺寸960x720
什么是三段式电流保护?
图片尺寸960x720
什么是三段式电流保护?
图片尺寸960x720
继电保护定值计算实例(三段式电流保护例如) 线路保护整定实例 - 抖音
图片尺寸730x547
三段式电流保护工作原理-接线-特点-整定计算
图片尺寸850x531
什么是三段式电流保护?
图片尺寸960x720
什么是三段式电流保护?
图片尺寸960x720
什么是三段式电流保护?
图片尺寸960x720
输电线路三段式电流保护的原理接线图解
图片尺寸490x255
什么是三段式电流保护?
图片尺寸960x720
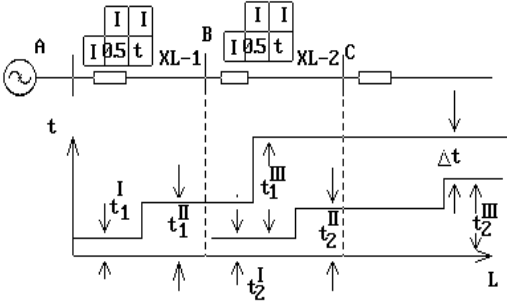
画出三段式电流保护的保护范围及时限配合示意图并标明时限
图片尺寸507x302
三段式电流保护
图片尺寸1080x810
什么是三段式电流保护?
图片尺寸960x720
什么是三段式电流保护?_保护_什么_电流
图片尺寸960x720
什么是三段式电流保护?
图片尺寸960x720
三段式电流保护整定计算举例
图片尺寸920x690
什么是三段式电流保护?
图片尺寸960x720
三段电流保护小结
图片尺寸920x517
三段式电流保护 三段式电流保护原理-百科叔叔
图片尺寸1000x667