三电平拓扑

图1 三电平pwm整流器主电路拓扑结构
图片尺寸610x425
i字型三电平拓扑
图片尺寸835x535
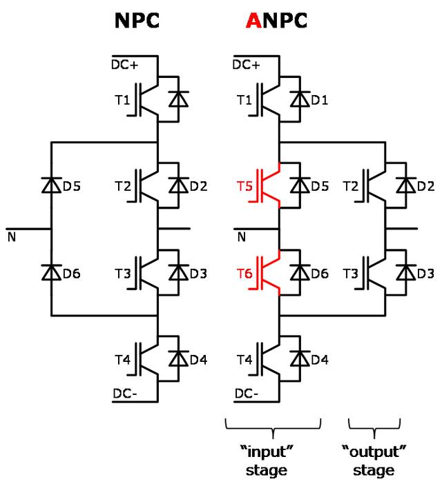
三电平anpc变流器主电路拓扑 fig.
图片尺寸470x319
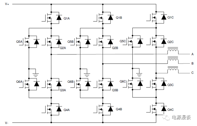
三电平电路拓扑
图片尺寸1497x985
p data-id="gnbkpajqn5">三电平拓扑结构相对于两电平在性能上有很多
图片尺寸584x440
npc2三电平拓扑横管过压保护开关逻辑
图片尺寸640x803
t-npc三电平电路的双脉冲与短路测试
图片尺寸572x562
图1三相三电平vienna主拓扑结构
图片尺寸820x563
干货|npc和anpc三电平逆变器拓扑基本工作原理分析
图片尺寸819x525
npc2三电平拓扑横管过压保护开关逻辑
图片尺寸640x446
npc三电平电路拓扑的分析及测试方法
图片尺寸647x330
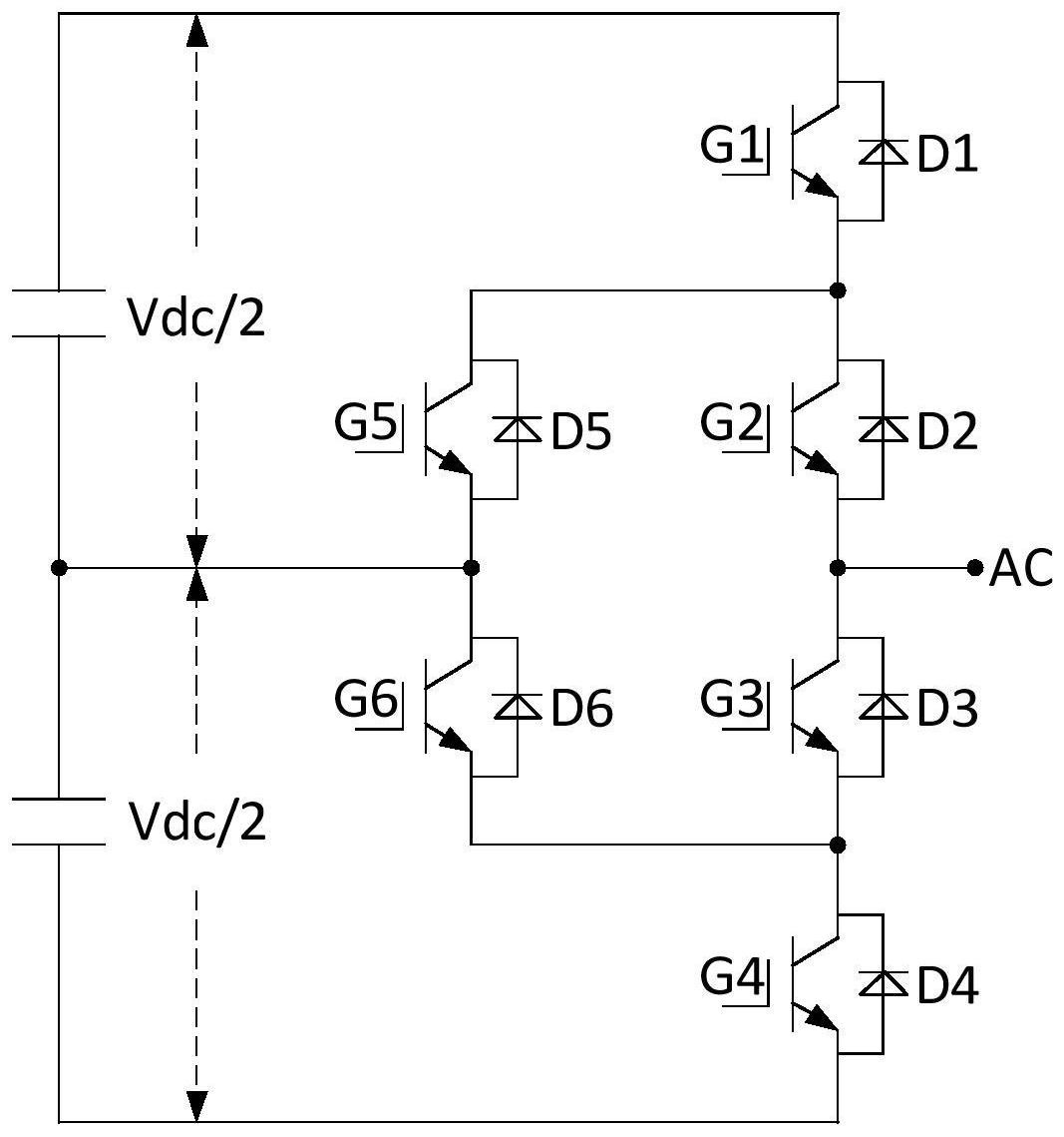
anpc三电平逆变器拓扑结构
图片尺寸640x469
1200v trenchstop igbt7 h7单管性能分析及其在t型三电平拓扑中的应用
图片尺寸753x601
开关直流电源三电平变换器作为pfc变换器的拓扑 ,boost三电平拓扑结构
图片尺寸443x285
一种三电平拓扑anpc四象限运行调制方法
图片尺寸1067x1139
三电平拓扑结构原理图
图片尺寸640x344
三相中点钳位型三电平电路,又称为 npc 三电平电路,npc型三电平拓扑
图片尺寸382x220
深度| npc 三电平拓扑原理及特点
图片尺寸319x471
三电平igbt死区时间计算_结合第七代igbt技术的三电平拓扑的优势
图片尺寸640x708
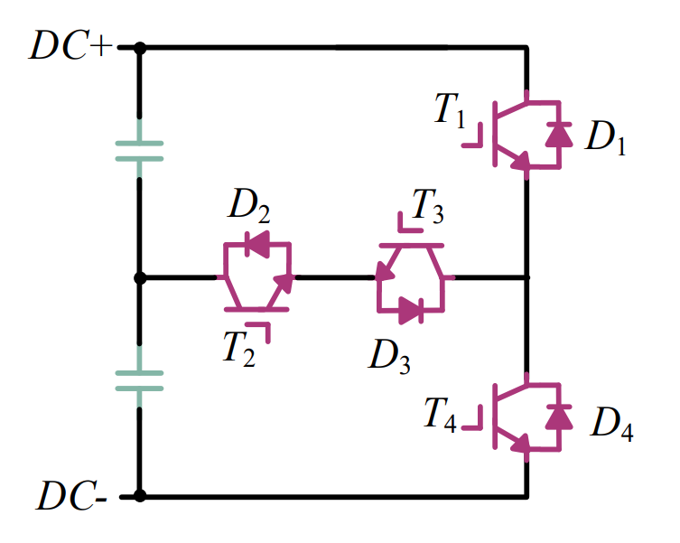
三电平逆变器拓扑结构 npc 和 tnpc
图片尺寸752x518