三相交流电路图

关于三相交流电一些问题
图片尺寸3264x2448
一种三相交流电机的启动电路
图片尺寸1498x2454
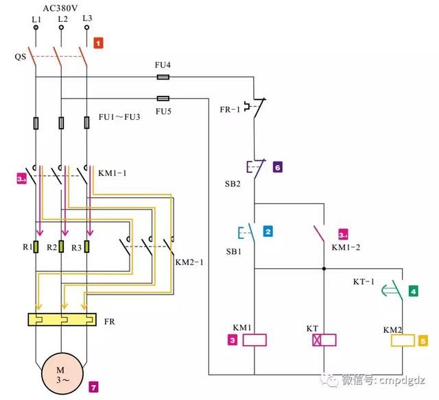
三相交流异步电机自耦变压器降压启动电控线路
图片尺寸1344x1059
三相交流电路的介绍
图片尺寸648x341
三相异步电动机启停电路图
图片尺寸641x854
三相对称电路
图片尺寸722x368
三相交流电路的小结(1)--三相电源 三相四线制 ea a n b c 三相电源一
图片尺寸1080x810
三相交流电机如何接线三相交流电机接线图
图片尺寸600x577
2,三相三线供电电路三相负载的一端互相连接,而负载的另一端则连接到
图片尺寸371x280
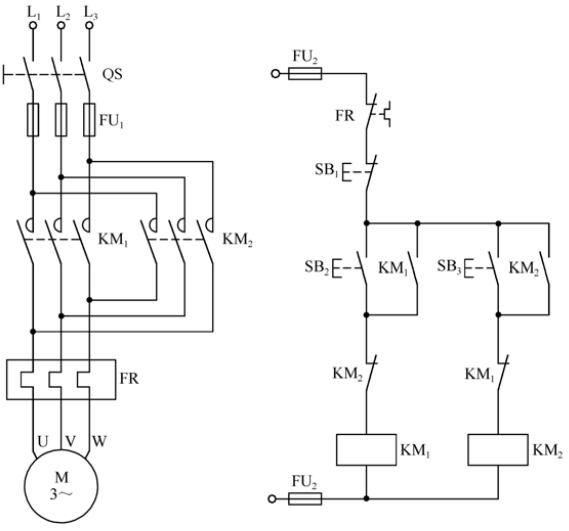
三相异步电机正反转一个急停三个按钮两个交流接触器线路图 不要解析
图片尺寸1600x1200
电工论坛 69 电工技术交流 69 电路图分享 69 三相电动机正反转
图片尺寸670x727
三相交流电路的介绍
图片尺寸450x237
(四)三相电路的功率
图片尺寸845x434
该电路的特点是利用交流接触器 km1,km2主触点的切换来改变加到电动机
图片尺寸569x531
图1(点击图1可直接播放视频)为三相交流电动机串电阻降压起动控制电路
图片尺寸640x584
下图所示三相交流电路,已知三相电源的线电压uab=,,.求
图片尺寸324x283
课件9:三相交流电路ppt
图片尺寸1080x810
三相交流电动机可逆运转控制电路原理图
图片尺寸600x400
三相交流换向器电动机
图片尺寸620x587
三相交流电路
图片尺寸267x300