三相异步电动机电路图

三相异步电动机单向连续运行控制电路图
图片尺寸920x1302
电工实训项目教程09-2三相异步电动机的正反转控制线路
图片尺寸1080x810
下一页 你可能喜欢 三相异步电动机正反转控制电路 电机正反转接线图
图片尺寸1080x810
三相异步电动机的正反转电和及工作原理 电动机正反转电路,是一种很
图片尺寸1128x1280
三相异步电动机的点动连续混合正转控制线路分析(精)
图片尺寸603x591
三相异步电动机正反转控制原理图,看不懂常开触点: 不按或线圈不通电
图片尺寸910x602
三相异步电动机正反转控制电路见附图.
图片尺寸962x615
三相异步电动机接触器点动控制线路
图片尺寸600x411
笼型异步电动机启动控制电路
图片尺寸1127x793
三相异步电动机正反转电路中在按下急停按钮时是电动机瞬间反转数秒钟
图片尺寸500x376
都在这了三相异步电动机常用控制电路图集咱得这么学
图片尺寸848x614
10 三相异步电动机的制动控制线路
图片尺寸1199x805
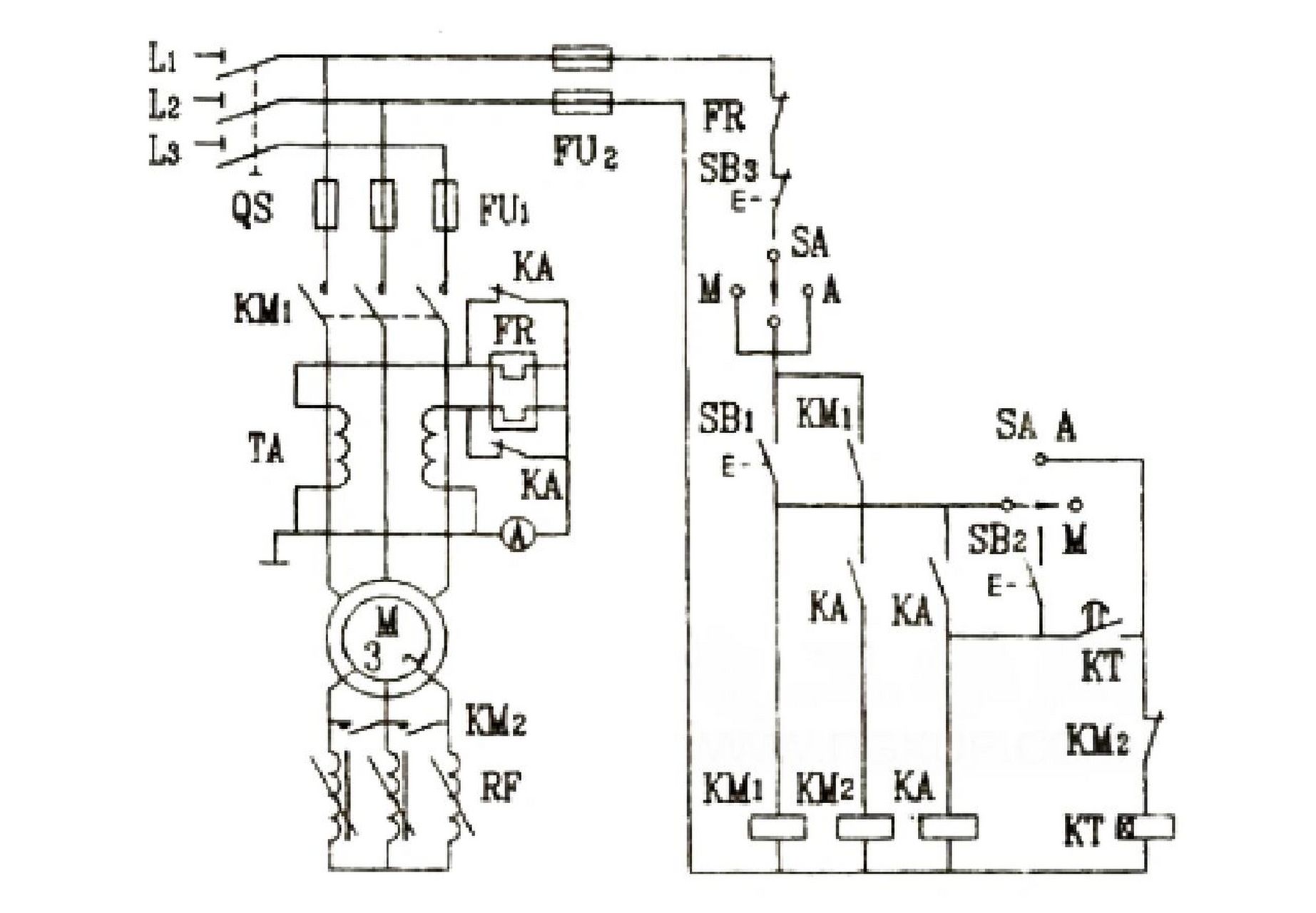
电路图解 应用频敏变阻器启动线绕转子异步电动机的控制线路如下图
图片尺寸1845x1280
电工常用电动机控制电路(四)
图片尺寸640x488
三相异步电动机正反转控制电路图-电子发烧友网
图片尺寸574x621
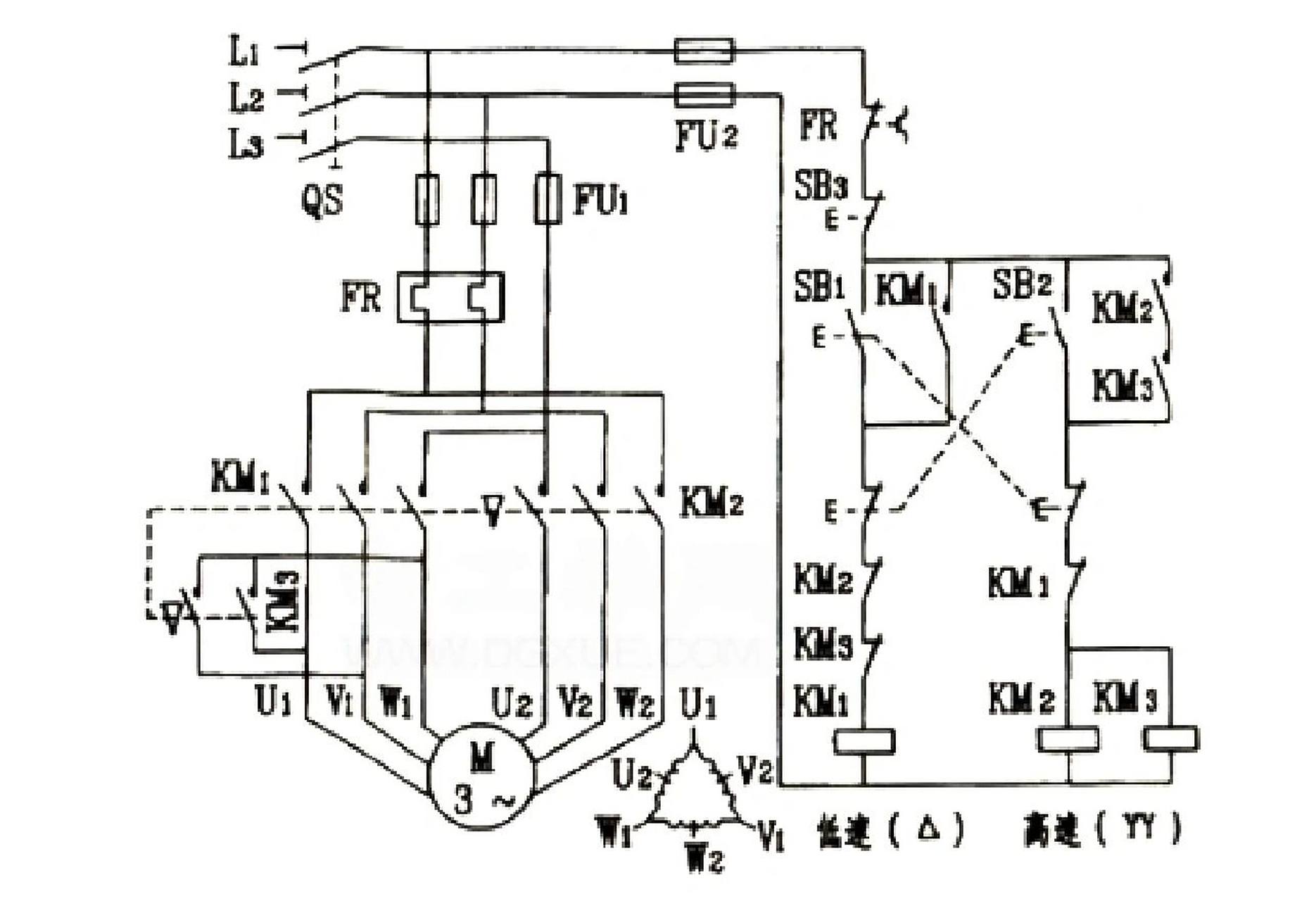
三相鼠笼式电动机变极调速控制电路图解 异步电动机的调速方法有变极
图片尺寸1860x1280
三相绕线转子异步电动机的控制电路–电路图–电子工程世界
图片尺寸513x526
三相异步电动机的控制
图片尺寸658x477
2三相异步电动机单向起动控制线路
图片尺寸1080x810
三相异步电动机安装图
图片尺寸1235x858