三相电抗器接线图

进出线电抗器
图片尺寸600x569
hycksg型串联电抗器 - 安徽瀚宇电气有限公司 - anhui universal
图片尺寸1588x2245
串联谐振电抗器全分类讲解
图片尺寸669x465
威德电工笔记丨电抗器的工作原理
图片尺寸790x524
全铜线/ 过电流限制机/电抗机/ 三相/限流电抗器 质量保证
图片尺寸663x269
三相串联电抗器cksg配30kvar电容器电抗率7%交流补偿过滤谐波 - 爱企
图片尺寸750x1393
电抗器串联和并联各有什么作用
图片尺寸1080x810
三相三线制
图片尺寸701x467
变频器专用输入输出电抗器/调速变频器132kw/电流290a 电抗器
图片尺寸1549x1866
变压器短路阻抗测试仪【上海康登电气】操作说明
图片尺寸681x693
(1)安装 dc电抗器时,请务必拆下p1,( ) 端子间的短接片
图片尺寸640x589
串联电抗器降压起动控制电路的接线图
图片尺寸527x468
电抗器接线图03 拷贝
图片尺寸517x179
本公司绕线电机液阻起动器拥有强大而可调整的
图片尺寸476x497
最详细的电气基础知识,值得收藏!
图片尺寸960x720
用转差法测同步发电机的同步电抗接线图
图片尺寸843x524
三相交流小功率负载器
图片尺寸435x269
倒顺开关控制单相电机24.浪涌保护器接线图23.
图片尺寸640x991
输出电抗器_接线图分享
图片尺寸580x193
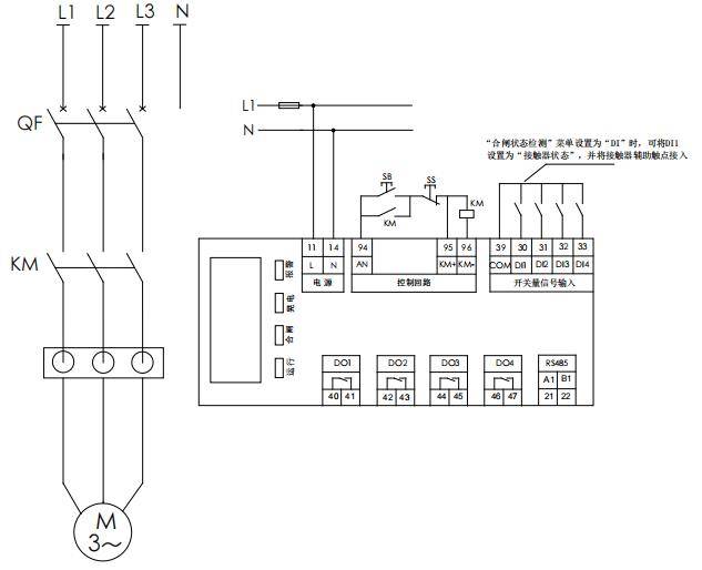
低压电动机抗晃电装置的应用_接线_设备_起动
图片尺寸633x514