三端稳压7912接线图

如何绘制三端稳压电源原理图
图片尺寸853x442
自制稳压电源
图片尺寸487x386
请问有没有7812或者7912 能过2a电流的稳压三极管?
图片尺寸452x494
三相稳压器接线图带您了解怎么接线
图片尺寸582x258
展开全部 用7812 和7912三端稳压集成电路,7812的引脚是1,输入,2,地
图片尺寸680x227
关于三端稳压器
图片尺寸890x474
三端稳压管的原理
图片尺寸485x332
三端稳压器7912引脚功能,电路接法_寻梦园_百度空间
图片尺寸353x206
第二路稳压电源采用lm7912三端稳压块制作.
图片尺寸534x325
三端线性稳压器工作原理与典型应用电路分析——78xx与lm317
图片尺寸1095x898
有关详细说明见:7812和7912三端稳压器是电子设备中常用的线性稳压
图片尺寸680x227
16伏的电源怎么用7812三端稳压器接线(需要12伏的电压)?
图片尺寸524x246
三端稳压器的应用(送给一个网友)
图片尺寸645x490
其实稳压器接线方法非常简单.首先交流稳压器分为单相和三相两种.
图片尺寸900x420
三端稳压电路图集
图片尺寸1476x493
三端式稳压器7812构成的串联型稳压电源电路
图片尺寸455x273
mc7812正压mc7912mc负压构成的的12v稳压电源电路图
图片尺寸800x468
p data-id="gnvio5aanu">7915为三端负稳压器电路,to-220f封装,能
图片尺寸580x476
78系列三端固定正输出稳压器
图片尺寸531x344
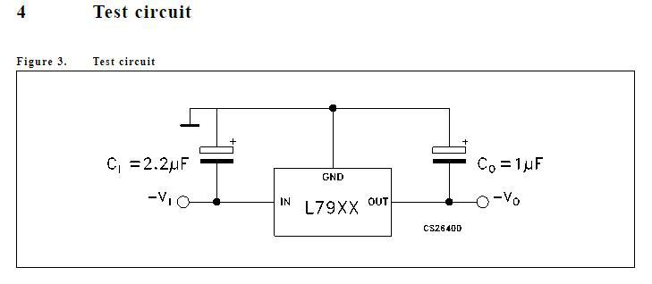
l7912cv-dg ldo线性三端稳压芯片ic to-220 st意法半导体
图片尺寸729x318