三联供系统原理

生能hien三联供安装流程运行原理三维动画|三联供|中央空调地暖|缓冲
图片尺寸1875x1055
一种新型多能源结构的三联供系统
图片尺寸2063x976
三联供系统结构图
图片尺寸2000x1413
空气源热泵三联供原理
图片尺寸609x413
分享燃气冷热电三联供施工图资料下载
图片尺寸733x551
两联供,三联供你还分不清吗?
图片尺寸640x424
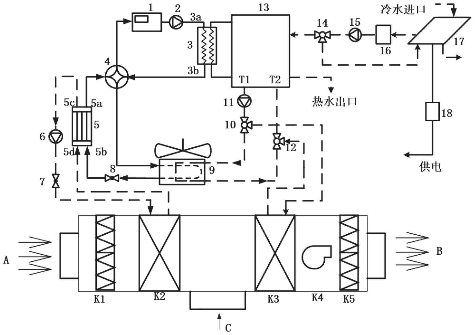
一种太阳能辅助空气源热泵三联供系统
图片尺寸1906x1345
如何实现冷热电三联供?
图片尺寸594x415
能热泵两联供/三联供是由电动机驱动的,利用蒸汽压缩制冷循环工作原理
图片尺寸700x363
家庭用空气能采暖三联供能打造更加舒适的生活环境!
图片尺寸554x386
空气源热泵三联供系统组成与运行过程
图片尺寸537x260
某工程冷热电三联供作为应急电源可行性分析
图片尺寸707x541
天然气冷热电三联供
图片尺寸2339x1654
空气源热泵三联供工程
图片尺寸554x371
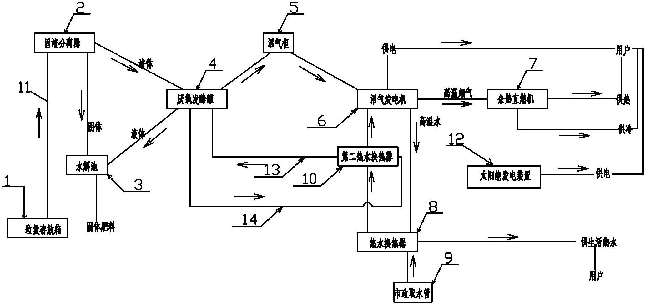
一种太阳能驱动的生物质气化三联供系统
图片尺寸1948x1086
空气能热泵三联供原理与特点解析
图片尺寸728x407
一种燃料电池热电冷三联供系统
图片尺寸2361x2138
分布式能源(冷热电三联供技术)最全总结
图片尺寸640x346
一种冷热电三联供系统技术方案
图片尺寸1000x604
空气源热泵三联供系统
图片尺寸600x421