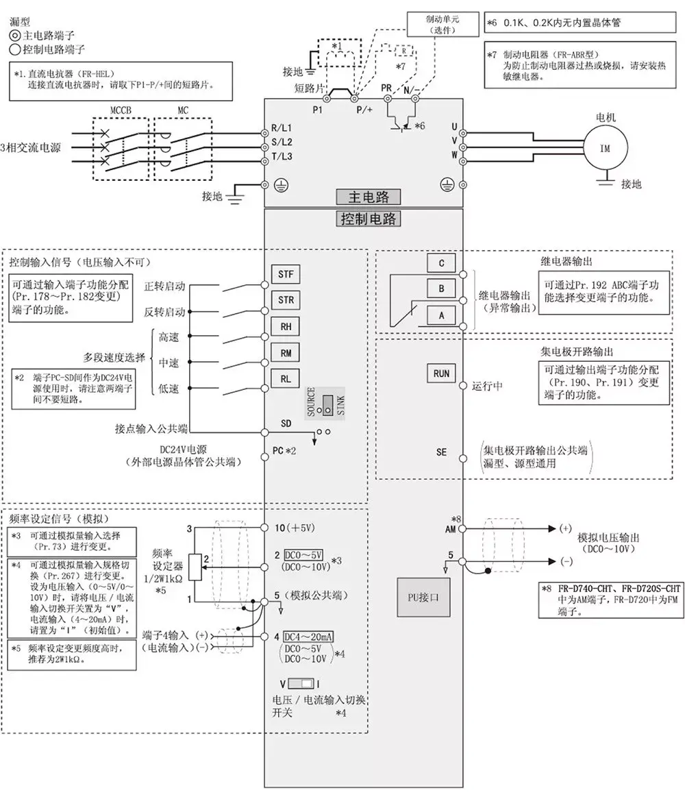
三菱变频器a700接线图

fr-a700系列变频器接线端有哪些?
图片尺寸1653x2338
三菱变频器:端子接线图大全
图片尺寸1000x1409
变频器接线方法
图片尺寸900x890
三菱变频器端子接线图大全
图片尺寸1080x1263
三菱变频器的接线
图片尺寸639x662
三菱变频器端子接线图大全
图片尺寸1000x1163
三菱变频器
图片尺寸710x1002
三菱变频器端子接线图
图片尺寸534x772
三菱变频器简单就地远程切换控制
图片尺寸702x545
三菱变频器端子接线图大全
图片尺寸1000x1474
三菱变频器端子接线图(fr-f740)
图片尺寸800x1106
三菱变频器端子接线图
图片尺寸533x759
编码器与三菱变频器接线图
图片尺寸818x1137
三菱700变频器接线图
图片尺寸712x799
变频器接线图大全各种变频器的接线
图片尺寸800x600
三菱e700变频器的使用
图片尺寸2479x3508
atv71变频器接线图
图片尺寸645x558
三菱变频器a700系列
图片尺寸652x933
南宁plc培训-三菱变频器端子接线图及接线注意事项
图片尺寸647x864
三菱变频器端子接线图
图片尺寸526x752