三菱空调线路图

三菱fdf304hen空调控制电路分析说明
图片尺寸1054x682
三菱psh-5vg2型柜式空调器室内外风机运转正常,而压缩机不运转
图片尺寸755x416
三菱fdf304hen空调控制电路分析说明
图片尺寸1415x1985
三菱空调puh-10ya型电路原理分析
图片尺寸1188x771
三菱fdf304hen空调控制电路分析说明
图片尺寸1439x2058
三菱空调srk-h系列电路图
图片尺寸1487x1120
空调柜机室内机电路图
图片尺寸1936x2592
三菱fdf304hen空调控制电路分析说明
图片尺寸1379x2091
空调安装问题
图片尺寸712x960
三菱帕杰罗
图片尺寸1286x1455
进口的三菱电机求救贴
图片尺寸958x719
根么机空外三接
图片尺寸450x800
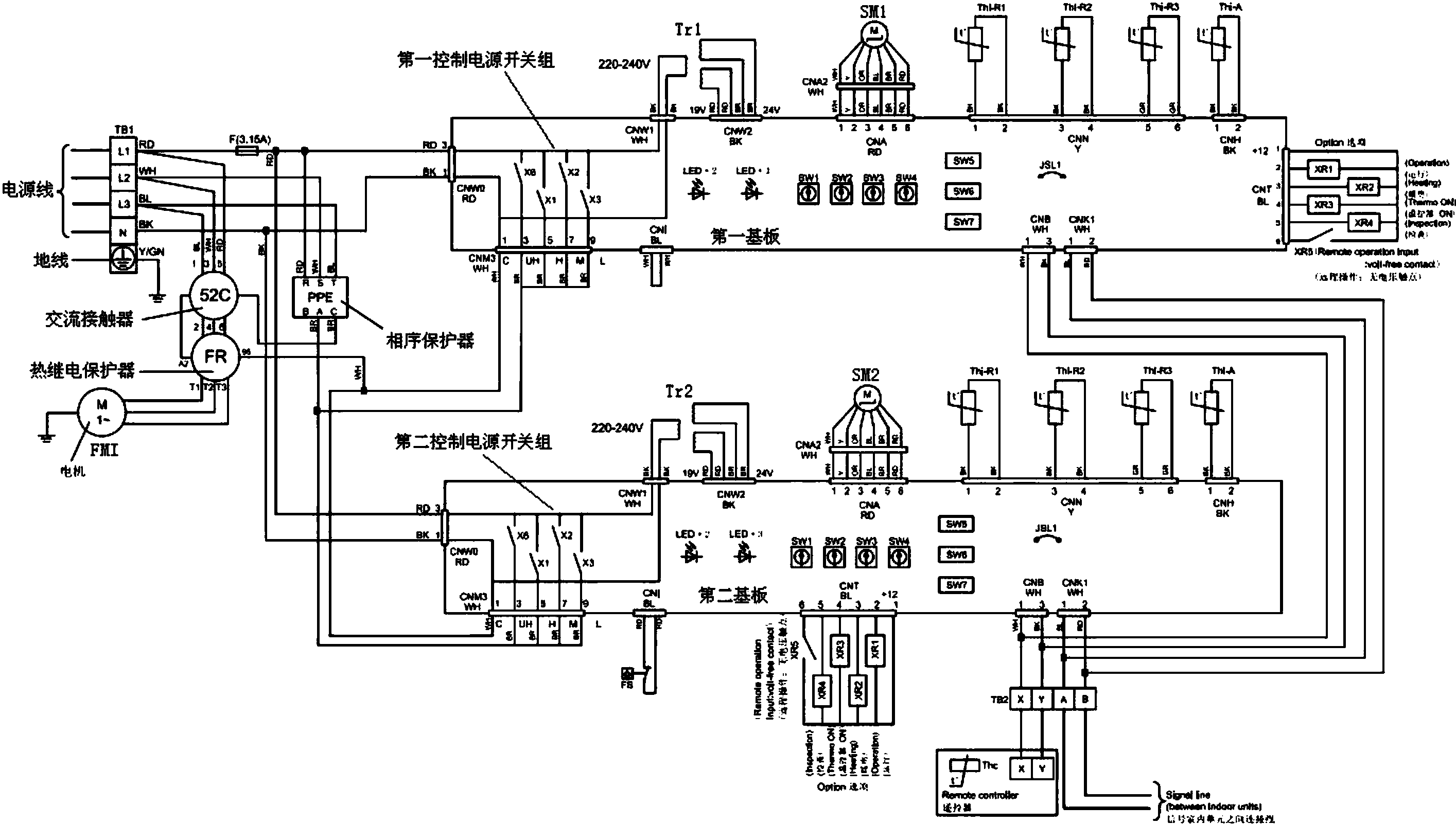
空调原理图10
图片尺寸2611x1829
分体式空调器电路
图片尺寸846x898
汽车自动空调系统的诊断与修复
图片尺寸1746x2385
三菱重工海尔(青岛)空调机有限公司专利申请_专利号cn201820280028
图片尺寸2829x1602
三菱帕杰罗
图片尺寸1286x1645
求教大神!空调内外机接线
图片尺寸600x800
家用空调电路图
图片尺寸400x300
空调原理图2
图片尺寸2551x1928