三菱fx5u输入接线图

三菱fx5u系列plc大讲堂2扩展数字量输入模块
图片尺寸598x789
驱动器mr-j4-a(脉冲 方向)plc三菱fx5u-48mt/es(自带模拟量输入2ch)
图片尺寸553x578
5v继电器模块实物接线三菱fx5u模块硬件精品实例接线图超全面
图片尺寸640x430
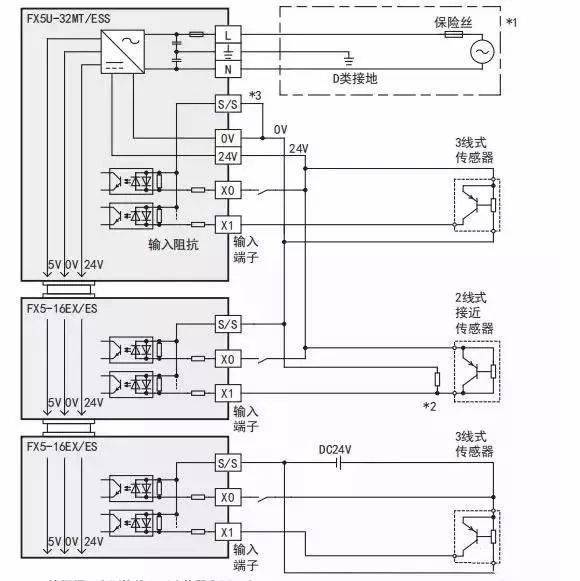
fx5u模块硬件实例接线图
图片尺寸600x710
三菱fx5u系列plc大讲堂5模拟量输入模块
图片尺寸521x501
三菱fx5u的modbusrtu通信1概述
图片尺寸924x366
三菱fx5uc与终端模块的输入输出接线图
图片尺寸513x282
三菱fx5uc与终端模块的输入输出接线图
图片尺寸474x279
fx5u模拟量如何读取三菱fx5u系列plc脉冲控制伺服的接线方式零基础
图片尺寸526x640
三菱fx5u plc模块硬件接线图
图片尺寸640x633
fx5ufre740通讯
图片尺寸589x344
三菱可编程控制器fx5u-80mt/es内置40入/40出晶体管漏型
图片尺寸493x441
干货三菱fx5u模块接线大全
图片尺寸684x619
5v继电器模块实物接线三菱fx5u模块硬件精品实例接线图超全面
图片尺寸640x444
三菱fx5u 简易plc间链接通信应用,看完觉得真配得上"简易"两字
图片尺寸640x335
三菱fx5u通过485接口与iai电缸进行modbus通讯实例讲解
图片尺寸1143x768
三菱fx5u系列plc模块硬件接线图汇总收藏一下
图片尺寸580x581
三菱fx5uc与终端模块的输入输出接线图
图片尺寸512x294
三菱fx5u plc模块硬件接线图
图片尺寸719x542
三菱fx5u系列plc模块硬件接线图汇总收藏一下
图片尺寸761x304