三菱plc外部接线图

三菱 fx3u 系列 plc 的外围接线
图片尺寸1084x657
三菱和西门子plc接线原理图,分享大家,欢迎讨论和关注
图片尺寸1883x1280
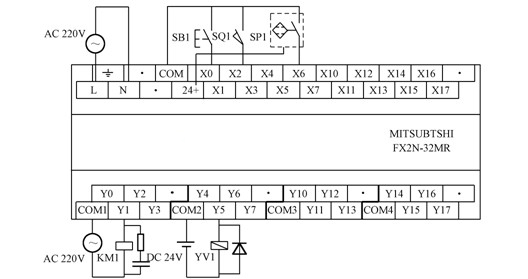
三菱 fx2n plc 输入输出接线图
图片尺寸611x571
三菱fx3u系列plc的外围接线
图片尺寸1059x398
三菱fxplc接线使用外部电源视频零基础入门学习plc自动化编程
图片尺寸761x554
三菱plc接线图问题
图片尺寸890x592
三菱fx2n系列plc使用每一款plc,我们都需要掌握其接线方式,知道plc所
图片尺寸554x287
plc输出端怎么外接电源,三菱plc fx3u,晶体管输出,传感器为npn型
图片尺寸1754x1240
城市小区恒压供水系统 plc外部接线图
图片尺寸1711x2422
三菱fx1n系列plc外部接线方法说明书
图片尺寸674x485
谁能发一个三菱plc的外部接线图给我?
图片尺寸844x503
三菱plc接线图例.doc 23页
图片尺寸793x1120
图2plc-fx2n系列外部接线示例以上就是关于三菱plc-fx2n系列产品的
图片尺寸528x279
三菱q系列plc接线
图片尺寸781x493
三菱fx3u与非差分型步进驱动器的接线
图片尺寸640x379
plc接线图 第1页 你可能喜欢 plc维修 plc精品课程 韩语日常用语 三菱
图片尺寸350x1144
三菱fx3uplc的水压自动控制案例
图片尺寸553x457
新手求三菱fx3u接线图和cad图或者指点一下做法
图片尺寸527x232
三菱fx3u系列plc的外围接线
图片尺寸820x368
三菱plc实物接线图三菱plc接线原理图2022已更新今日推荐
图片尺寸474x456