三菱plc硬件接线图

三菱fxplc接线使用外部电源视频零基础入门学习plc自动化编程
图片尺寸761x554
plc 三菱fx5u输出接线 #每天学习一点点 - 抖音
图片尺寸872x1660
三菱和西门子plc接线原理图,分享大家,欢迎讨论和关注
图片尺寸1883x1280
fx3u_硬件接线_三菱fx3u通讯口定义-csdn博客
图片尺寸714x693
三菱fx5u系列plc大讲堂(5)——模拟量输入模块
图片尺寸521x501
三菱fx系列plc技术一看就懂最新章节_蔡杏山著_掌阅小说网
图片尺寸2702x1315
三菱fx1n系列plc外部接线方法说明书
图片尺寸674x485
三菱plc输入端com端接线方式
图片尺寸522x595
关于三菱plc控制步进电机的外部接线示意图原理(图1)
图片尺寸824x582
三菱plc与松下伺服接线图
图片尺寸960x1357
十字路口交通信号灯plc(三菱 fx2n-128mt-001)控制系统设计
图片尺寸1438x1079
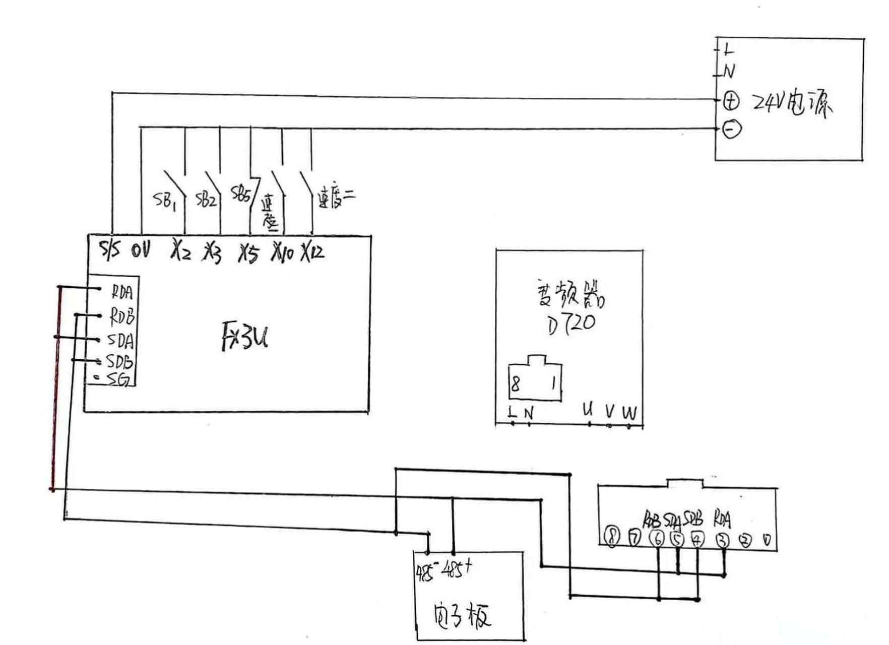
modbus rtu通讯接线: 三菱plc与三菱d720变频器modbus rtu通讯,先进行
图片尺寸1764x1280
三菱fx3u系列plc输出侧端子接线图
图片尺寸542x657
fx5u32mtes三菱plcfx5u32mt价格fx5u新品5u32mt产品说明
图片尺寸493x441
fx3u_硬件接线_三菱fx3u通讯口定义-csdn博客
图片尺寸983x682
电工不懂plc程序时,该如何维修plc电路?
图片尺寸1080x619
三菱plc输入端com端接线方式
图片尺寸464x283
三菱fx3uplc的水压自动控制案例
图片尺寸553x457
谁能发一个三菱plc的外部接线图给我?
图片尺寸844x503
使用三菱plc的源型输入接线方式连接晶体管输出型传感器时,应使用pnp
图片尺寸550x508