三菱plc编程图

三菱plc编程不得不收藏的52页经典案例
图片尺寸1080x810
求三菱fx2n编程高手plc梯形图,8盏流水灯,启动时,灯1亮一灭后灭
图片尺寸1654x2339
求一个三菱plc的跑马灯程序
图片尺寸758x648
三菱plc控制步进电机编程把马达细分调到50,也就是10000脉冲是一圈.
图片尺寸1071x1518
三菱plc程序fx1nmt控制mr-e伺服实例
图片尺寸717x989
售货机三菱plc程序
图片尺寸574x1128
三菱plc编程混泥土搅拌机程序
图片尺寸640x1123
2010-01-19 三菱plc的价格 3 2012-08-28 三菱plc与触摸屏如何编程?
图片尺寸1524x695
请教各位高手;用三菱plc编程软件怎样编写步进梯形图?
图片尺寸727x472
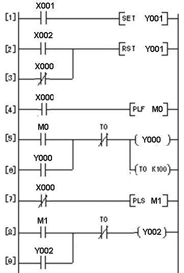
三菱plc程序求解,小白求教:谁帮我解读下如下每行三菱plc命令的意思
图片尺寸1147x1614
三菱plc控制步进电机编程
图片尺寸920x1302
求各位大神用三菱plc编程!画出清晰完整的梯形图即可!
图片尺寸665x561
跪求 三菱 plc步进电机正反转 , 调速程序和梯形图 邮箱646714128@qq.
图片尺寸1025x491
三菱plc伺服实例程序分析应用
图片尺寸600x670
三菱plc程序流向控制功能指令
图片尺寸439x437
梯形图实例三菱plc跑马灯程序
图片尺寸613x648
三菱plc上m8029无响应,编程有问
图片尺寸600x485
plc编程基本功梯形图与控制线路附1164个三菱plc实用案例
图片尺寸361x536
四节传送带三菱plc程序三菱plc传送带梯形图
图片尺寸500x762
三菱plc四层电梯程序
图片尺寸759x740