三菱plcfx5u输入接线图

plc 三菱fx5u输出接线 #每天学习一点点 - 抖音
图片尺寸872x1660
三菱fx5u系列plc大讲堂(5)——模拟量输入模块 | 北岛夜话
图片尺寸521x501
三菱fx5u系列plc大讲堂2扩展数字量输入模块
图片尺寸598x789
工控论坛 产品 plc 我要发帖
图片尺寸600x710
plc三菱fx5u-48mt/es(自带模拟量输入2ch) 伺服驱动器mr-j4-a(洛冲
图片尺寸553x578
三菱fx5u plc模块硬件接线图
图片尺寸640x633
fx5u模拟量如何读取三菱fx5u系列plc脉冲控制伺服的接线方式零基础
图片尺寸526x640
三菱plc接线图问题
图片尺寸890x592
西门子200smart与三菱fx5u输入输出接线讲解,叫法有点不同!
图片尺寸1187x557
fx5u模拟量如何读取plc是如何读取模拟量的
图片尺寸640x675
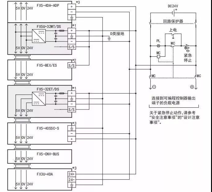
三菱fx5u模块接线大全
图片尺寸684x619
fx5uc与终端模块的输入输出接线图 - 三菱工控自动化产品网:三菱plc
图片尺寸474x279
三菱fx5u系列plc采用rs485总线进行modbus通讯
图片尺寸1080x810
三菱fx5u模块硬件精品实例接线图超全面
图片尺寸772x535
三菱plc输入端com端接线方式
图片尺寸464x283
plc接线图 第1页 你可能喜欢 plc维修 plc精品课程 韩语日常用语 三菱
图片尺寸350x1144
fx5uc与终端模块的输入输出接线图 - 三菱工控自动化产品网:三菱plc
图片尺寸513x282
谁能发一个三菱plc的外部接线图给我?
图片尺寸844x503
三菱fx5u通过485接口与iai电缸进行modbus通讯实例讲解
图片尺寸1143x768
急求三菱fx5与伺服mrje200a的接线图感谢05
图片尺寸1252x830