三角带结构图

如何更换洗衣机里的配套三角带
图片尺寸400x232
安全带也要保养?安全带=生命带
图片尺寸568x504
三角带结构图
图片尺寸772x264
包角的大小反 映带与带轮轮缘表面间接触弧的长短.
图片尺寸1080x810
三力士皮带三角带特殊窄v带spa750-1175型 spa782la/764ld 默认1
图片尺寸990x1053
optibelt欧皮特同步带三角带产品设计计算公式和公式中使用的缩写词
图片尺寸966x439
红龙三角带(red power)的结构和性能怎样?
图片尺寸600x407
第5章 带传动和链传动ppt
图片尺寸1080x810
汽车v带根据其结构分为包边式v带和切边式v带两种,切边带又分普通式
图片尺寸800x275
结构类型 普通三角带 皮带类型 a型 皮带编号 37 v型角度 40
图片尺寸790x1837
三力士三角带c型6000三力士皮带轮皮带通用型高速传动带工业用 c型 c
图片尺寸990x807
带传动ppt
图片尺寸1080x810
防静电三角带君泰橡塑橡胶输送带尺寸定做
图片尺寸750x750
分别由包布,顶胶,抗拉体和底胶四部分组成,绳芯结构的三角带制造方便
图片尺寸443x407
带传动和链传动ppt
图片尺寸1080x810
三角带,同步带的储存注意事项
图片尺寸500x342
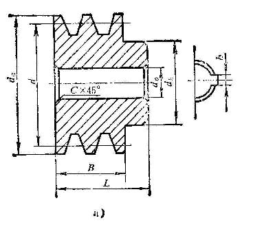
三角带轮结构及张紧装置 - 豆丁网
图片尺寸368x327
第13章 带传动设计(新)机械设计a,精品课程课件,武汉理工大学2016ppt
图片尺寸1080x810
股三角
图片尺寸1080x759
三角带销售进口三角带进口同步带平皮带输送带广角带德国欧皮特美国
图片尺寸584x800