上海495a柴油机装配图

柴油机装配图_至和网zhwtk.com
图片尺寸1200x800
柴油机装配图(外形图)
图片尺寸728x539
某柴油机装配图cad节点构造设计
图片尺寸610x861
495型柴油机结构挂图(全套共九幅)全
图片尺寸1200x1200
柴油机总装配图cad图纸
图片尺寸820x583
柴油机装配图
图片尺寸820x361
a0-柴油机装配图一
图片尺寸818x578
柴油机配气机构装配图cad图纸
图片尺寸697x501
柴油机6大组成部件看完秒了解柴油机河北邦博润发电
图片尺寸800x515
上海柴油机上柴发动机6缸机g128zld装配图cad图纸
图片尺寸1600x1280
柴油机总装配图cad图纸
图片尺寸820x583
柴油机总装配图及设计说明书
图片尺寸820x579
195柴油机装配图(标准图)cad图纸
图片尺寸620x438
图2-1 柴油机机油泵装配图
图片尺寸798x605
490型柴油机设计【含cad图纸,说明书】_装配图网
图片尺寸1200x800
上海柴油机上柴发动机12v缸机12v135bzld装配图cad图纸
图片尺寸1600x1280
(1/3) 左视图图纸简介单缸柴油机装配图.
图片尺寸443x687
柴油机总装图
图片尺寸820x573
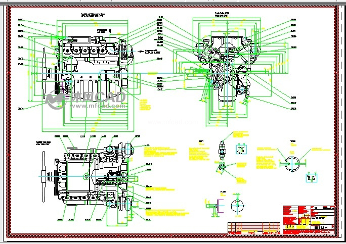
奔驰柴油发动机装配图英文德文版
图片尺寸684x483
柴油机与泵装配图
图片尺寸841x594