丝杆画法图片

滚珠丝杠ppt
图片尺寸1080x810
横向滚珠丝杠a3pdf
图片尺寸800x566
丝杆pdf
图片尺寸920x650
请问丝杠应该怎么画好
图片尺寸1181x838
cn101224540a_一种滚珠丝杆加工方法有效
图片尺寸2877x1740
滚珠丝杠画法
图片尺寸1080x810
正反滚珠丝杠怎么选择合适的?
图片尺寸1004x467
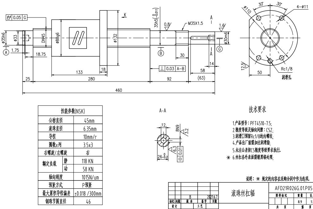
nsk直径10端部导流式丝杠pss1010n1d0421螺杆内附图纸
图片尺寸3354x2388
南通铣床丝杆x
图片尺寸802x1144
一种双导程滚珠丝杠
图片尺寸1372x1215
cn201593594u_一种滚珠丝杠失效
图片尺寸2148x1354
经济型30度梯形丝杠一端一阶一端两阶型
图片尺寸368x179
短丝杠的加工工艺ppt
图片尺寸1080x810
丝杠怎么表示
图片尺寸830x281
丝杆图
图片尺寸546x219
入手25lv,六一更新定做滚珠丝杠图纸
图片尺寸897x487
丝杠1
图片尺寸814x507
梯形丝杠
图片尺寸628x520
采购丝杠 图纸,先要10根,后面还有50~100根需求.
图片尺寸1020x682
cad怎么画丝杆啊05哪位大师教教我
图片尺寸696x589