中频炉工作原理

φ60×50mm感应热压中频炉的操作说明 7)将实验料样放在炉内工作区,并
图片尺寸1009x600
中频感应电炉结构
图片尺寸750x671
中频炉工作原理 电路图
图片尺寸1104x1597
中频感应电炉及其熔炼工艺ppt
图片尺寸1080x810
12t中频炉线路图原理图
图片尺寸920x1302
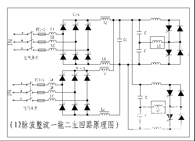
一拖二中频熔炼炉
图片尺寸626x454
中频炉原理结构ppt
图片尺寸1080x810
1500kg中频熔炼炉-铸造用熔炼炉找海山
图片尺寸600x495
感应加热机熔铝熔铁炉熔铜融化金属铸造坩埚打铁炉 中频160kw 炉体 熔
图片尺寸750x480
中频炉 电渣炉流程图
图片尺寸834x513
中频感应炉怎么调大功率
图片尺寸600x490
中频炉原理结构ppt
图片尺寸1080x810
闭式冷却塔在中频炉的应用
图片尺寸628x438
中频炉炉底吹氩精炼技术在行业内的应用
图片尺寸600x450
中频炉冷却原理图是什么?
图片尺寸640x451
igbt在中频感应熔炼炉中的应用
图片尺寸727x385
真空中频感应熔炼设备bmf1800cd
图片尺寸760x370
中频炉水路安装示意图
图片尺寸516x317
中频炉原理结构
图片尺寸920x690
中频炉工作原理及谐波治理
图片尺寸920x1302