串励电动机原理图

串激式电动机电路图?该电路图中电子原件的名称?
图片尺寸1030x556
电机基础何谓串激电动机
图片尺寸1401x1181
求串励式直流电动机的正反转电路图,6线的,并且用到电阻降压起动.
图片尺寸668x480
汽车电器设备05串励式直流电动机
图片尺寸667x500
单相串励电动机与交流电机比较ppt
图片尺寸800x600
串励直流电动机工作原理
图片尺寸860x1215
串励直流电动机的基本控制电路ppt
图片尺寸1080x810
希望对读者有一定帮助 首先介绍一下直流串励式电机工作原理
图片尺寸1080x900
45张电工常用电动机控制电路图
图片尺寸571x400
串励电机接线图(调速电机用)
图片尺寸300x267
一种直流串励电机控制系统及方法
图片尺寸1779x827
说说一张串励直流电动机启动电路图
图片尺寸735x562
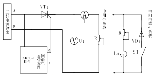
当单相串励电机采用可控硅调速时,是否会对换向火花产生不利影响?
图片尺寸720x540
电动机的原理详解
图片尺寸640x255
串励电动机的工作过程串励电动机的调速原理
图片尺寸297x196
背景技术:单相串励电动机属于单相交流异步电动机,是交直流两用的
图片尺寸1000x632
干货串激电机原理结构
图片尺寸454x375
串励电机的等效替代电路图
图片尺寸1521x1106
单相串励电动机
图片尺寸509x342
单相串励电动机
图片尺寸520x262