串口通信电路图

🔄 51单片机串口通信全攻略 🔄
图片尺寸1080x826
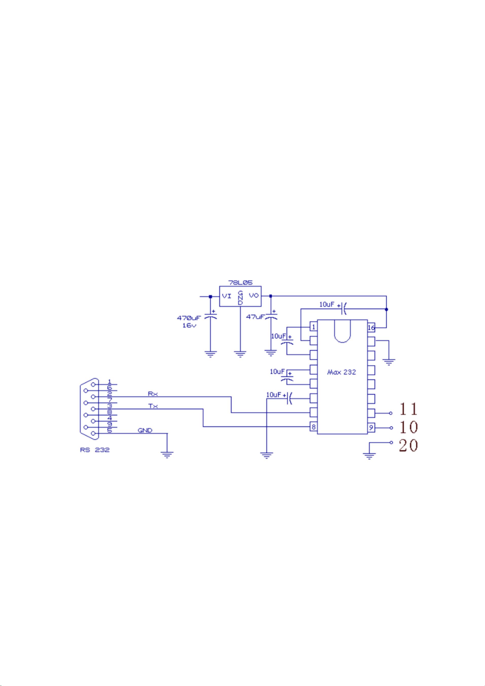
rs232电路设计
图片尺寸1595x563
rs485通信电路详解:从半双工接线到安全防护
图片尺寸1078x724
🔌232串口线接线全解析🔍
图片尺寸1080x1409
rs232电路设计
图片尺寸1735x535
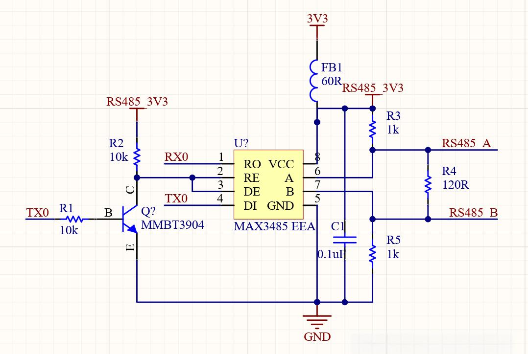
rs485通信基础知识全面解析
图片尺寸1225x928
usb转2路rs422串口
图片尺寸1349x895
stm32串口通信②:硬件连接与电平转换
图片尺寸1108x590
串口通信隔离电路原理图
图片尺寸1178x405
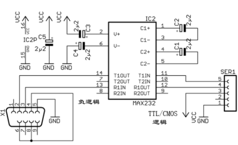
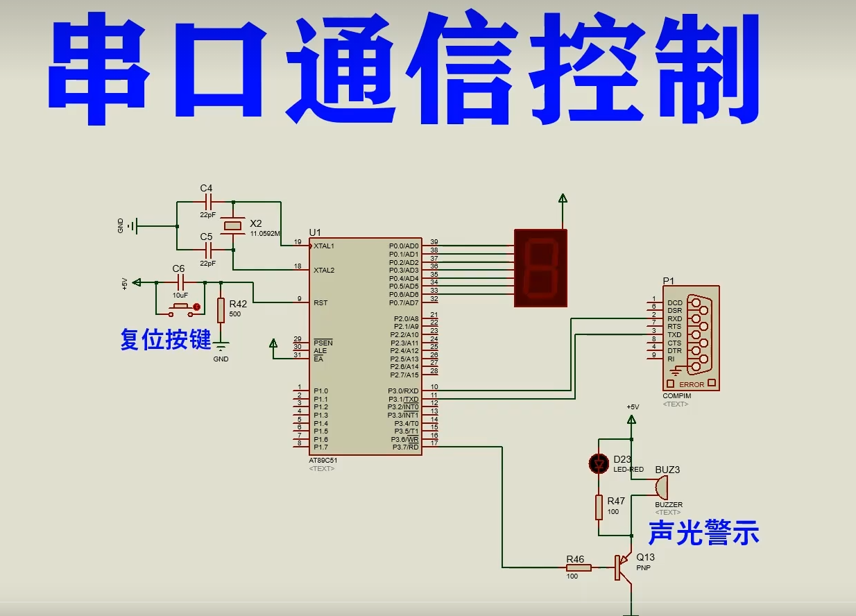
213,基于51单片机的串口通信仿真设计
图片尺寸1201x809
rs232的隔离电路
图片尺寸1280x720
rs232串口通信协议全面解析与应用概览
图片尺寸1080x1099
30 rs485串口程序收发环路设计
图片尺寸1165x1058
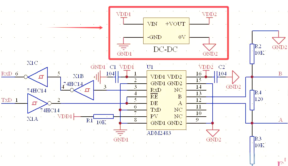
rs485通信中,多种电路设计方案的应用
图片尺寸917x528
高速usb转8路rs422串口
图片尺寸1027x585
煌生小课堂:rs232接口电路
图片尺寸771x471
usb转32串口方案
图片尺寸854x885
c51单片机和电脑串口通信电路图pdf
图片尺寸1913x2707
基于51单片机的rs485测温报警系统温湿度modbus rs232串口通信
图片尺寸3000x4000
基于51单片机的串口通信控制proteus仿真
图片尺寸1234x888