主令控制器原理图解读

重型
图片尺寸818x804
制冷装置常用触点式控制器ppt
图片尺寸1080x810
图2-6 主提升机构电气原理图把刀开关2qk,3qk合上,主令控制器sa1手柄
图片尺寸1476x1488
主令控制器,电磁抱闸器结构和工作原理,学习电流继电器和电压继
图片尺寸675x687
主令控制器的工作原理
图片尺寸557x383
xk714a数控铣床油温控制器失灵的改进
图片尺寸1088x597
znlk智能主令控制器,高炉上料主卷扬
图片尺寸540x212
2 开关及主令电器 转换开关( 组合开关) 盒式组合开关动作示意图
图片尺寸1080x810
起重机主令控制器的控制线路
图片尺寸401x520
跪求20/5t行车电气原理图,是凸轮控制的,要控制线图.
图片尺寸1201x889
主沟的提升电动机由于功率较大,所以采用磁力控制屏和主令操作器操纵
图片尺寸1426x2200
电机控制器运作原理
图片尺寸600x888
由主令开关和凸轮控制器组成的主电路
图片尺寸1209x619
水位控制器 配合无塔供水压力开关缺水保护 延时自动pc系列 手动压力
图片尺寸420x285
s b主令控制器的结构图
图片尺寸313x357
凸轮控制器开路接线图
图片尺寸331x348
3主令控制器工作原理1,主令控制器的结构图中1与7为固定于方轴上的
图片尺寸769x522
智能主令控制器znlk10j
图片尺寸958x436
主令控制器(什么是主令电器?)_环球信息网
图片尺寸597x473
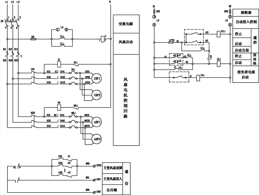
本实用新型涉及一种主变风冷系统的控制回路,包括主令开关,风扇启动
图片尺寸1000x753