久量636电路图

反激式开关电源max636的工作原理
图片尺寸338x346
久量led台灯电路图
图片尺寸1142x504
dp久量led台灯电路图
图片尺寸601x308
久量led-618型充电式台灯电路中电阻r2烧黑了,谁知道阻值是多少
图片尺寸2592x1944
久量led台灯666电路图
图片尺寸450x483
求各位大侠,哥哥,姐姐,大叔,大婶赏给小弟一个小胆机的电路图(效果
图片尺寸999x659
车充能充笔记本电脑吗?
图片尺寸973x561
词条图片
图片尺寸500x244
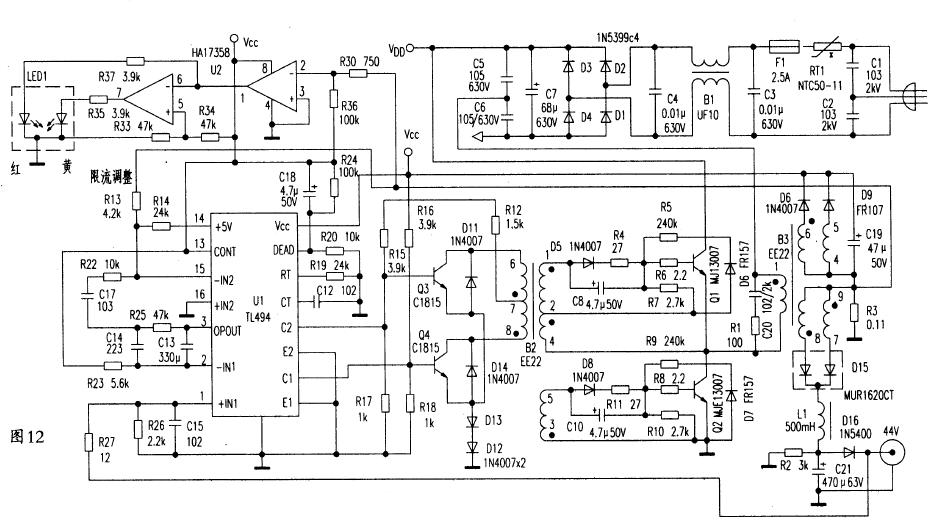
部分电动自行车充电器电路解析图文
图片尺寸933x521
938_636
图片尺寸938x636
与非门_电路
图片尺寸946x383
充电台灯电路图
图片尺寸909x428
台灯电路图及维修
图片尺寸920x1302
台灯_电路
图片尺寸1106x1125
谁有这个手电筒的电路图还有讲解
图片尺寸450x240
led灯电路原理分析
图片尺寸505x661
台灯电路图及维修
图片尺寸800x1132
【话题】led充电台灯电路!(20120816)
图片尺寸710x510
infinoenice2qr066540w20v离线开关电源解决方案
图片尺寸528x246
am a-4040型彩色显示器的电源电路图
图片尺寸1654x1124